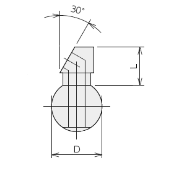
GLOBEスタンダードスリーブ
GLOBEスタンダードスリーブは、ボーリングバーへのクーラント供給効率を向上させるデザインを採用した、CNC旋盤用のボーリングバースリーブです。
本製品はツバ部分を斜めにカットした構造になっており、スリーブ自体がクーラントの流れを妨げにくく、従来のようにパイプを複雑に曲げて調整する必要がありません。
これにより、従来と変わらない使用感で、より簡単に、より効果的にクーラントを刃先へ供給できるようになりました。
さらに、GLOBEスタンダードスリーブは、機械のメーカーや年式に関係なく、多くのCNC旋盤に対応可能。
長年のノウハウに基づいた適切な熱処理と、内径・外径の精密研磨仕上げにより、高い耐久性と優れた精度を兼ね備えています。
使い方動画
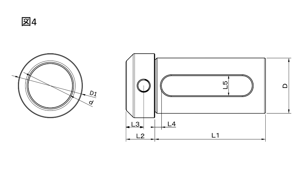
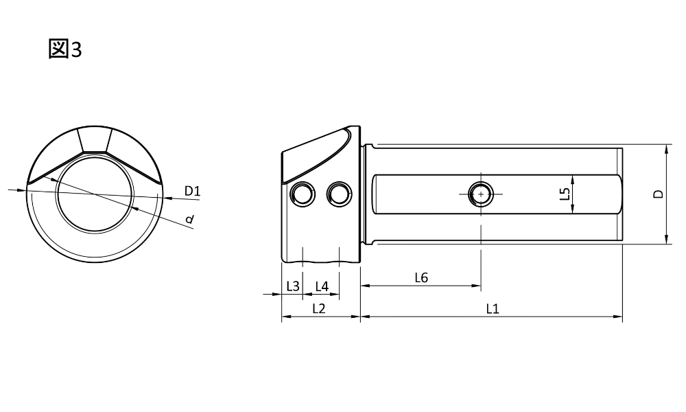
製品仕様
| 型番 | d | D | L1 | L2 | L3 | L4 | L5 | L6 | D1 | 止ビス | 図 |
| SS-051905 | 5 | 19.05 | 40 | 15 | 4 | 7 | 7 | 26 | M4 | 1 | |
| SS-061905 | 6 | 19.05 | 40 | 15 | 4 | 7 | 7 | 26 | M4 | 1 | |
| SS-071905 | 7 | 19.05 | 40 | 15 | 4 | 7 | 7 | 26 | M5 | 1 | |
| SS-081905 | 8 | 19.05 | 40 | 15 | 5 | 4 | 7 | 26 | M5 | 2 | |
| SS-101905 | 10 | 19.05 | 40 | 15 | 6 | 4 | 7 | 26 | M6 | 2 | |
| SS-121905 | 12 | 19.05 | 40 | 12 | 6 | 13 | 7 | 26 | M6 | 2 | |
| SS-0425 | 4 | 25 | 50 | 18 | 4.5 | 6.5 | 10 | 32 | M4 | 1 | |
| SS-0525 | 5 | 25 | 50 | 18 | 4.5 | 6.5 | 10 | 32 | M4 | 1 | |
| SS-0625 | 6 | 25 | 50 | 18 | 5 | 8 | 10 | 32 | M4 | 1 | |
| SS-0725 | 7 | 25 | 50 | 18 | 5 | 8 | 10 | 32 | M5 | 1 | |
| SS-0825 | 8 | 25 | 50 | 18 | 5 | 9 | 10 | 32 | M5 | 1 | |
| SS-1025 | 10 | 25 | 50 | 18 | 7 | 6 | 10 | 32 | M6 | 2 | |
| SS-1225 | 12 | 25 | 50 | 18 | 7 | 6 | 10 | 32 | M6 | 2 | |
| SS-1425 | 14 | 25 | 50 | 15 | 7 | 6 | 10 | 32 | M6 | 2 | |
| SS-1625 | 16 | 25 | 50 | 15 | 3.5 | 8 | 10 | 25 | 32 | M5 | 3 |
| SS-2025 | 20 | 25 | 50 | 15 | 4.5 | 3 | 10 | 32 | M6 | 4 | |
| SS-04254 | 4 | 25.4 | 50 | 18 | 4.5 | 6.5 | 10 | 32 | M4 | 1 | |
| SS-05254 | 5 | 25.4 | 50 | 18 | 4.5 | 6.5 | 10 | 32 | M4 | 1 | |
| SS-06254 | 6 | 25.4 | 50 | 18 | 5 | 8 | 10 | 32 | M4 | 1 | |
| SS-07254 | 7 | 25.4 | 50 | 18 | 5 | 8 | 10 | 32 | M5 | 1 | |
| SS-08254 | 8 | 25.4 | 50 | 18 | 5 | 9 | 10 | 32 | M5 | 1 | |
| SS-10254 | 10 | 25.4 | 50 | 18 | 7 | 6 | 10 | 32 | M6 | 2 | |
| SS-12254 | 12 | 25.4 | 50 | 18 | 7 | 6 | 10 | 32 | M6 | 2 | |
| SS-14254 | 14 | 25.4 | 50 | 15 | 7 | 6 | 10 | 32 | M6 | 2 | |
| SS-16254 | 16 | 25.4 | 50 | 15 | 3.5 | 25 | 10 | 25 | 32 | M5 | 3 |
| SS-20254 | 20 | 25.4 | 50 | 15 | 4.5 | 3 | 10 | 32 | M6 | 4 | |
| SS-0432 | 4 | 32 | 65 | 20 | 5 | 7 | 10 | 38 | M4 | 1 | |
| SS-0532 | 5 | 32 | 65 | 20 | 5 | 7 | 10 | 38 | M4 | 1 | |
| SS-0632 | 6 | 32 | 65 | 20 | 5 | 8 | 10 | 38 | M4 | 1 | |
| SS-0732 | 7 | 32 | 65 | 20 | 6 | 8 | 10 | 38 | M5 | 1 | |
| SS-0832 | 8 | 32 | 65 | 20 | 6 | 10 | 10 | 38 | M5 | 1 | |
| SS-1032 | 10 | 32 | 65 | 20 | 7 | 6 | 10 | 38 | M6 | 2 | |
| SS-1232 | 12 | 32 | 65 | 20 | 7 | 6 | 10 | 38 | M6 | 2 | |
| SS-1432 | 14 | 32 | 65 | 20 | 7 | 6 | 10 | 38 | M8 | 2 | |
| SS-1632 | 16 | 32 | 65 | 15 | 8 | 25 | 10 | 38 | M8 | 2 | |
| SS-2032 | 20 | 32 | 65 | 16 | 8 | 24 | 10 | 40 | M8 | 2 | |
| SS-2532 | 25 | 32 | 65 | 16 | 10 | 5 | 14 | 40 | M8 | 4 | |
| SS-0440 | 4 | 40 | 75 | 23 | 5 | 6 | 13 | 46 | M4 | 1 | |
| SS-0540 | 5 | 40 | 75 | 23 | 5 | 6 | 13 | 46 | M4 | 1 | |
| SS-0640 | 6 | 40 | 75 | 23 | 5 | 10 | 13 | 46 | M4 | 1 | |
| SS-0740 | 7 | 40 | 75 | 23 | 6 | 10 | 13 | 46 | M5 | 1 | |
| SS-0840 | 8 | 40 | 75 | 23 | 6 | 12 | 13 | 46 | M5 | 1 | |
| SS-1040 | 10 | 40 | 75 | 23 | 5 | 12 | 13 | 46 | M6 | 1 | |
| SS-1240 | 12 | 40 | 75 | 23 | 7 | 6 | 13 | 46 | M6 | 2 | |
| SS-1440 | 14 | 40 | 75 | 23 | 7 | 7 | 13 | 46 | M8 | 2 | |
| SS-1640 | 16 | 40 | 75 | 23 | 8 | 7 | 13 | 46 | M8 | 2 | |
| SS-2040 | 20 | 40 | 75 | 20 | 8 | 28 | 13 | 46 | M8 | 2 | |
| SS-2540 | 25 | 40 | 75 | 20 | 8 | 28 | 13 | 50 | M8 | 2 | |
| SS-3240 | 32 | 40 | 75 | 20 | 13 | 6 | 17 | 46 | M8 | 4 | |
| SS-1250 | 12 | 50 | 100 | 26 | 6 | 12 | 14 | 58 | M6 | 1 | |
| SS-1650 | 16 | 50 | 100 | 26 | 12 | 9 | 14 | 58 | M10 | 2 | |
| SS-2050 | 20 | 50 | 100 | 26 | 12 | 9 | 14 | 58 | M8 | 2 | |
| SS-2550 | 25 | 50 | 100 | 26 | 12 | 34 | 14 | 58 | M8 | 2 | |
| SS-3250 | 32 | 50 | 100 | 23 | 11.5 | 37 | 14 | 58 | M8 | 2 | |
| SS-4050 | 40 | 50 | 100 | 26 | 16 | 6 | 18 | 58 | M8 | 4 |
※製品の仕様予告なく変更になることがあります。
GLOBEスタンダードスリーブ
GLOBEスタンダードスリーブ パンフレット(PDFファイル)
CNC旋盤用 GLOBEスタンダードスリーブ
– クーラント効率を高める斜めカット設計 –
GLOBEスタンダードスリーブは、ボーリングバーへのクーラント供給効率を向上させるデザインを採用した、CNC旋盤用のボーリングバースリーブです。
本製品はツバ部分を斜めにカットした構造になっており、スリーブ自体がクーラントの流れを妨げにくく、従来のようにパイプを複雑に曲げて調整する必要がありません。
これにより、従来と変わらない使用感で、より簡単に、より効果的にクーラントを刃先へ供給できるようになりました。
さらに、GLOBEスタンダードスリーブは、機械のメーカーや年式に関係なく、多くのCNC旋盤に対応可能。
長年のノウハウに基づいた適切な熱処理と、内径・外径の精密研磨仕上げにより、高い耐久性と優れた精度を兼ね備えています。
使い方動画
製品仕様
フラット(平取り)4面
※図はクリックすると拡大できます。
| 型番 | d | D | L1 | L2 | L3 | L4 | L5 | L6 | D1 | 止ビス | 図 |
| SS-051905 | 5 | 19.05 | 40 | 15 | 4 | 7 | 7 | 26 | M4 | 1 | |
| SS-061905 | 6 | 19.05 | 40 | 15 | 4 | 7 | 7 | 26 | M4 | 1 | |
| SS-071905 | 7 | 19.05 | 40 | 15 | 4 | 7 | 7 | 26 | M5 | 1 | |
| SS-081905 | 8 | 19.05 | 40 | 15 | 5 | 4 | 7 | 26 | M5 | 2 | |
| SS-101905 | 10 | 19.05 | 40 | 15 | 6 | 4 | 7 | 26 | M6 | 2 | |
| SS-121905 | 12 | 19.05 | 40 | 12 | 6 | 13 | 7 | 26 | M6 | 2 | |
| SS-0425 | 4 | 25 | 50 | 18 | 4.5 | 6.5 | 10 | 32 | M4 | 1 | |
| SS-0525 | 5 | 25 | 50 | 18 | 4.5 | 6.5 | 10 | 32 | M4 | 1 | |
| SS-0625 | 6 | 25 | 50 | 18 | 5 | 8 | 10 | 32 | M4 | 1 | |
| SS-0725 | 7 | 25 | 50 | 18 | 5 | 8 | 10 | 32 | M5 | 1 | |
| SS-0825 | 8 | 25 | 50 | 18 | 5 | 9 | 10 | 32 | M5 | 1 | |
| SS-1025 | 10 | 25 | 50 | 18 | 7 | 6 | 10 | 32 | M6 | 2 | |
| SS-1225 | 12 | 25 | 50 | 18 | 7 | 6 | 10 | 32 | M6 | 2 | |
| SS-1425 | 14 | 25 | 50 | 15 | 7 | 6 | 10 | 32 | M6 | 2 | |
| SS-1625 | 16 | 25 | 50 | 15 | 3.5 | 8 | 10 | 25 | 32 | M5 | 3 |
| SS-2025 | 20 | 25 | 50 | 15 | 4.5 | 3 | 10 | 32 | M6 | 4 | |
| SS-04254 | 4 | 25.4 | 50 | 18 | 4.5 | 6.5 | 10 | 32 | M4 | 1 | |
| SS-05254 | 5 | 25.4 | 50 | 18 | 4.5 | 6.5 | 10 | 32 | M4 | 1 | |
| SS-06254 | 6 | 25.4 | 50 | 18 | 5 | 8 | 10 | 32 | M4 | 1 | |
| SS-07254 | 7 | 25.4 | 50 | 18 | 5 | 8 | 10 | 32 | M5 | 1 | |
| SS-08254 | 8 | 25.4 | 50 | 18 | 5 | 9 | 10 | 32 | M5 | 1 | |
| SS-10254 | 10 | 25.4 | 50 | 18 | 7 | 6 | 10 | 32 | M6 | 2 | |
| SS-12254 | 12 | 25.4 | 50 | 18 | 7 | 6 | 10 | 32 | M6 | 2 | |
| SS-14254 | 14 | 25.4 | 50 | 15 | 7 | 6 | 10 | 32 | M6 | 2 | |
| SS-16254 | 16 | 25.4 | 50 | 15 | 3.5 | 25 | 10 | 25 | 32 | M5 | 3 |
| SS-20254 | 20 | 25.4 | 50 | 15 | 4.5 | 3 | 10 | 32 | M6 | 4 | |
| SS-0432 | 4 | 32 | 65 | 20 | 5 | 7 | 10 | 38 | M4 | 1 | |
| SS-0532 | 5 | 32 | 65 | 20 | 5 | 7 | 10 | 38 | M4 | 1 | |
| SS-0632 | 6 | 32 | 65 | 20 | 5 | 8 | 10 | 38 | M4 | 1 | |
| SS-0732 | 7 | 32 | 65 | 20 | 6 | 8 | 10 | 38 | M5 | 1 | |
| SS-0832 | 8 | 32 | 65 | 20 | 6 | 10 | 10 | 38 | M5 | 1 | |
| SS-1032 | 10 | 32 | 65 | 20 | 7 | 6 | 10 | 38 | M6 | 2 | |
| SS-1232 | 12 | 32 | 65 | 20 | 7 | 6 | 10 | 38 | M6 | 2 | |
| SS-1432 | 14 | 32 | 65 | 20 | 7 | 6 | 10 | 38 | M8 | 2 | |
| SS-1632 | 16 | 32 | 65 | 15 | 8 | 25 | 10 | 38 | M8 | 2 | |
| SS-2032 | 20 | 32 | 65 | 16 | 8 | 24 | 10 | 40 | M8 | 2 | |
| SS-2532 | 25 | 32 | 65 | 16 | 10 | 5 | 14 | 40 | M8 | 2 | |
| SS-0440 | 4 | 40 | 75 | 23 | 5 | 6 | 13 | 46 | M4 | 1 | |
| SS-0540 | 5 | 40 | 75 | 23 | 5 | 6 | 13 | 46 | M4 | 1 | |
| SS-0640 | 6 | 40 | 75 | 23 | 5 | 10 | 13 | 46 | M4 | 1 | |
| SS-0740 | 7 | 40 | 75 | 23 | 6 | 10 | 13 | 46 | M5 | 1 | |
| SS-0840 | 8 | 40 | 75 | 23 | 6 | 12 | 13 | 46 | M5 | 1 | |
| SS-1040 | 10 | 40 | 75 | 23 | 5 | 12 | 13 | 46 | M6 | 1 | |
| SS-1240 | 12 | 40 | 75 | 23 | 7 | 6 | 13 | 46 | M6 | 2 | |
| SS-1440 | 14 | 40 | 75 | 23 | 7 | 7 | 13 | 46 | M8 | 2 | |
| SS-1640 | 16 | 40 | 75 | 23 | 8 | 7 | 13 | 46 | M8 | 2 | |
| SS-2040 | 20 | 40 | 75 | 20 | 8 | 28 | 13 | 46 | M8 | 2 | |
| SS-2540 | 25 | 40 | 75 | 20 | 8 | 28 | 13 | 50 | M8 | 2 | |
| SS-3240 | 32 | 40 | 75 | 20 | 13 | 6 | 17 | 46 | M8 | 4 | |
| SS-1250 | 12 | 50 | 100 | 26 | 6 | 12 | 14 | 58 | M6 | 1 | |
| SS-1650 | 16 | 50 | 100 | 26 | 12 | 9 | 14 | 58 | M10 | 2 | |
| SS-2050 | 20 | 50 | 100 | 26 | 12 | 9 | 14 | 58 | M8 | 2 | |
| SS-2550 | 25 | 50 | 100 | 26 | 12 | 34 | 14 | 58 | M8 | 2 | |
| SS-3250 | 32 | 50 | 100 | 23 | 11.5 | 37 | 14 | 58 | M8 | 2 | |
| SS-4050 | 40 | 50 | 100 | 26 | 16 | 6 | 18 | 58 | M8 | 4 |
※製品の仕様予告なく変更になることがあります。
GLOBE製 エルボ
クーラントチューブスリーブ
クーラントチューブスリーブ カタログ(PDF)
CNC旋盤用 新型ボーリングバースリーブ
内径旋削加工における「クーラントが刃先に届きにくい」という課題を、スリーブの構造で解決しました。
特長
- クーラントの方向変換
スリーブのつば部にクーラントの通り道を設けることで、内部給油を使わずとも、ボーリングバーに沿って刃先まで大量のクーラントを供給できます。 - 配管不要で簡単設置
複雑な配管や接続は一切不要。スリーブ側面の穴からクーラントを噴射するだけで使用可能です。 - 調整不要・安定供給
細かな調整をしなくても、安定して刃先までクーラントが届き、冷却・切削性能が向上します。 - 従来品と同等の使用感
特別な操作は不要で、従来のボーリングバースリーブと同様の感覚で使えます。 - 無人加工にも最適
切りくず排出が良い為、長時間の連続加工や、夜間の無人運転においても刃先の冷却が安定。工具寿命と加工効率の向上に貢献します。
中央一つ穴の機械向けのCSNシリーズもございます。詳細は下記のページをご覧下さい。
使用方法
クーラント誘導孔にクーラントを噴射するだけで使用出来ます。
接続不要なので、配管に手間取ることなく使用出来ます。
機械側に使用するノズルを用意しております。
クーラントチューブスリーブ 取扱説明書(PDF)
寸法表
| 型番 | d | D | L1 | L2 | L3 | L4 | L5 | L6 | D1 | 止めビス | 図 |
| CS-0425 | 4 | 25 | 50 | 18 | 4.5 | 6.5 | 10 | 32 | M4 | 1 | |
| CS-0525 | 5 | 25 | 50 | 18 | 4.5 | 6.5 | 10 | 32 | M4 | 1 | |
| CS-0625 | 6 | 25 | 50 | 18 | 5 | 8 | 10 | 32 | M4 | 1 | |
| CS-0725 | 7 | 25 | 50 | 18 | 5 | 8 | 10 | 32 | M5 | 1 | |
| CS-0825 | 8 | 25 | 50 | 18 | 5 | 9 | 10 | 32 | M5 | 1 | |
| CS-1025 | 10 | 25 | 50 | 18 | 7 | 6 | 10 | 32 | M6 | 2 | |
| CS-1225 | 12 | 25 | 50 | 18 | 7 | 6 | 10 | 32 | M6 | 2 | |
| CS-1425 | 14 | 25 | 50 | 15 | 7 | 6 | 10 | 32 | M6 | 2 | |
| CS-1625 | 16 | 25 | 50 | 15 | 3.5 | 8 | 10 | 25 | 32 | M5 | 3 |
| CS-04254 | 4 | 25.4 | 50 | 18 | 4.5 | 6.5 | 10 | 32 | M4 | 1 | |
| CS-05254 | 5 | 25.4 | 50 | 18 | 4.5 | 6.5 | 10 | 32 | M4 | 1 | |
| CS-06254 | 6 | 25.4 | 50 | 18 | 5 | 8 | 10 | 32 | M4 | 1 | |
| CS-07254 | 7 | 25.4 | 50 | 18 | 5 | 8 | 10 | 32 | M5 | 1 | |
| CS-08254 | 8 | 25.4 | 50 | 18 | 5 | 9 | 10 | 32 | M5 | 1 | |
| CS-10254 | 10 | 25.4 | 50 | 18 | 7 | 6 | 10 | 32 | M6 | 2 | |
| CS-12254 | 12 | 25.4 | 50 | 18 | 7 | 6 | 10 | 32 | M6 | 2 | |
| CS-14254 | 14 | 25.4 | 50 | 15 | 7 | 6 | 10 | 32 | M6 | 2 | |
| CS-16254 | 16 | 25.4 | 50 | 15 | 3.5 | 25 | 10 | 25 | 32 | M5 | 3 |
| CS-0432 | 4 | 32 | 65 | 20 | 5 | 7 | 10 | 38 | M4 | 1 | |
| CS-0532 | 5 | 32 | 65 | 20 | 5 | 7 | 10 | 38 | M4 | 1 | |
| CS-0632 | 6 | 32 | 65 | 20 | 5 | 8 | 10 | 38 | M4 | 1 | |
| CS-0732 | 7 | 32 | 65 | 20 | 6 | 8 | 10 | 38 | M5 | 1 | |
| CS-0832 | 8 | 32 | 65 | 20 | 6 | 10 | 10 | 38 | M5 | 1 | |
| CS-1032 | 10 | 32 | 65 | 20 | 7 | 6 | 10 | 38 | M6 | 2 | |
| CS-1232 | 12 | 32 | 65 | 20 | 7 | 6 | 10 | 38 | M6 | 2 | |
| CS-1432 | 14 | 32 | 65 | 20 | 7 | 6 | 10 | 38 | M8 | 2 | |
| CS-1632 | 16 | 32 | 65 | 15 | 8 | 25 | 10 | 38 | M8 | 2 | |
| CS-2032 | 20 | 32 | 65 | 20 | 8 | 24 | 10 | 40 | M8 | 2 | |
| CS-0440 | 4 | 40 | 75 | 23 | 5 | 6 | 13 | 46 | M4 | 1 | |
| CS-0540 | 5 | 40 | 75 | 23 | 5 | 6 | 13 | 46 | M4 | 1 | |
| CS-0640 | 6 | 40 | 75 | 23 | 5 | 10 | 13 | 46 | M4 | 1 | |
| CS-0740 | 7 | 40 | 75 | 23 | 6 | 10 | 13 | 46 | M5 | 1 | |
| CS-0840 | 8 | 40 | 75 | 23 | 6 | 12 | 13 | 46 | M5 | 1 | |
| CS-1040 | 10 | 40 | 75 | 23 | 5 | 12 | 13 | 46 | M6 | 1 | |
| CS-1240 | 12 | 40 | 75 | 23 | 7 | 6 | 13 | 46 | M6 | 2 | |
| CS-1440 | 14 | 40 | 75 | 23 | 7 | 7 | 13 | 46 | M8 | 2 | |
| CS-1640 | 16 | 40 | 75 | 23 | 8 | 7 | 13 | 46 | M8 | 2 | |
| CS-2040 | 20 | 40 | 75 | 20 | 8 | 28 | 13 | 46 | M8 | 2 | |
| CS-2540 | 25 | 40 | 75 | 20 | 8 | 28 | 13 | 50 | M8 | 2 | |
| CS-1250 | 12 | 50 | 100 | 26 | 6 | 12 | 14 | 58 | M6 | 1 | |
| CS-1650 | 16 | 50 | 100 | 26 | 12 | 9 | 14 | 58 | M10 | 2 | |
| CS-2050 | 20 | 50 | 100 | 26 | 12 | 9 | 14 | 58 | M8 | 2 | |
| CS-2550 | 25 | 50 | 100 | 26 | 12 | 34 | 14 | 58 | M8 | 2 | |
| CS-3250 | 32 | 50 | 100 | 26 | 11.5 | 37 | 14 | 58 | M8 | 2 |
※製品の仕様予告なく変更になることがあります。
エルボ・ノズルのご案内
機械からクーラント噴射口に射出する場合、エルボが必要になります。
弊社製で在庫のエルボ・ノズルの他、株式会社 ナベヤ様、株式会社 ピスコ様のエルボもご利用頂けます。
対応ボールノズル選定質問票
エルボ・ノズルについて、以下の選定質問票を弊社までお送り頂ければ、推奨商品をご案内させて頂きます。
是非お気軽にお問い合わせ下さい。
ご記入頂きました選定質問票は、弊社までメールにてご送信下さい。お問い合わせフォームからも添付頂けます。
ファクス(0280-76-2815)の場合は、お客様ご連絡先をご記入の上、ご送信下さい。
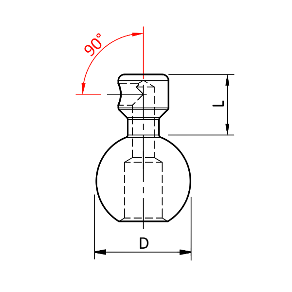
オリジナルボールノズル
オークマ(株)製、DMG MORIなどノズルとスリーブの間隔が狭い機種に最適です。
| 型番 | D | L |
| CSBO-12 | 12 | 10 |
| CSBO-12.7 | 12.7 | |
| CSBO-14 | 14 | |
| CSBO-15 | 15 | |
| CSBO-15.8 | 15.8 | |
| CSBO-16 | 16 | |
| CSBO-18 | 18 | |
| CSBO-18-M6※ | 18 | |
| CSBO-22 | 22 | |
| CSBO-22-M6※ | 22 |
※射出孔にM6ネジのストレートノズルが接続できます。
輸入加工ボールノズル(弊社在庫品)
ストレートノズルと組み合わせてご使用になれます(CB10-M5を除く)。
| 型番 | D | L |
| CSB10-M5 | 10 | 9 |
| CSB12-M6 | 12 | 9 |
| CSB12.7-M6 | 12.7(1/2″) | 9 |
| CSB14-M6 | 14 | 7.5 |
| CSB-14.7-M6 | 14.7(3/8″) | 7.5 |
| CSB-15-M6 | 15 | 7.5 |
| CSB-15.8-M6 | 15.8(5/8″) | 7 |
| CSB-16-M6 | 16 | 7 |
ナベヤ インサートノズル BB型 参考記載
| 型番 | D | L | 参考価格 |
| BB101-3 | 10 | 6.4 | ¥2,660 |
| BB111-3 | 11 | 9.1 | ¥2,660 |
| BB121-3 | 12 | 9.1 | ¥2,660 |
| BB141-3 | 14 | 9.1 | ¥2,670 |
| BB151-3 | 15 | 9.1 | ¥3,190 |
| BB181-3 | 18 | 9.1 | ¥3,580 |
| BB221-3 | 22 | 9.1 | ¥3,620 |
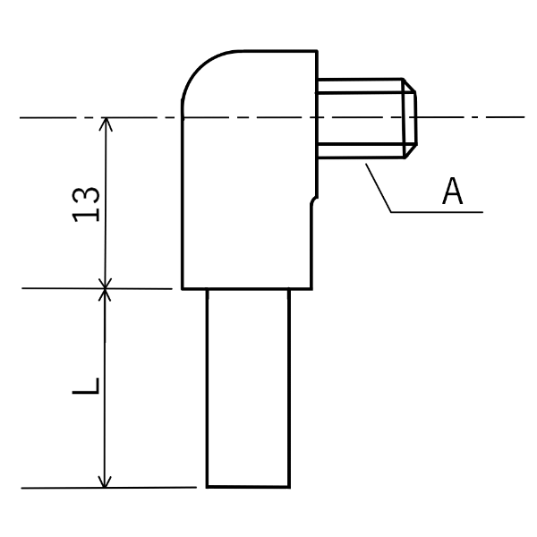
GLOBE製 エルボ(弊社在庫品)
| 型番 | L | A | 定価 |
| CSE00-M5 | M5×0.8 | ¥600 | |
| CSE05-M5 | 5 | M5×0.8 | ¥1,200 |
| CSE15-M5 | 15 | M5×0.8 | ¥1,200 |
| CSE25-M5 | 25 | M5×0.8 | ¥1,200 |
| CSE35-M5 | 35 | M5×0.8 | ¥1,200 |
| CSE00-M6 | M6×1 | ¥600 | |
| CSE05-M6 | 5 | M6×1 | ¥1,200 |
| CSE15-M6 | 15 | M6×1 | ¥1,200 |
| CSE25-M6 | 25 | M6×1 | ¥1,200 |
| CSE35-M6 | 35 | M6×1 | ¥1,200 |
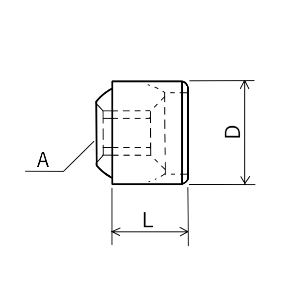
GLOBE製 ストレートノズル(弊社在庫品)
| 型番 | L | 定価 |
| SSS20-M6 | 15 | ¥600 |
| SSS30-M6 | 25 | ¥600 |
| SSS40-M6 | 35 | ¥600 |
台湾製 打込み式ノズル(弊社在庫品)
| 型番 | D | L | A |
| Φ10-M5 | Φ10 | 8 | M5×0.8 |
| Φ12-M6 | Φ12 | 8 | M6×1 |
| Φ13-M6 | Φ13 | 8 | M6×1 |
| Φ14ーM6 | Φ14 | 10 | M6×1 |
| Φ15-M6 | Φ15 | 10 | M6×1 |
| Φ16-M6 | Φ16 | 10 | M6×1 |
| Φ17-M6 | Φ17 | 10 | M6×1 |
ネジ付目玉ノズル
| 型番 | 外径D | ネジ |
| SSM10-M5 | Φ10 | M5×0.8 |
| SSM10-M6 | Φ10 | M6×1 |
| SSM12-M6 | Φ12 | M6×1 |
| SSM12.7-M6 | Φ12.7 | M6×1 |
| SSM14-M6 | Φ14 | M6×1 |
| SSM15-M8 (P×1.25) | Φ15 | M8×1.25 |
| SSM15.8-M8 (P×1.25) | Φ15.8 | M8×1.25 |
| SSM16-M8 (P×1.25) | Φ16 | M8×1.25 |
| SSM18-M8 (P×1.25) | Φ18 | M8×1.25 |
その他スリーブパーツ
整流板(内径Φ8以下付属)
クーラントの流れを整えるパーツです。
紛失した場合等はご連絡ください。
| 型番 | 適用サイズ |
| FSD | 8Φ以下 |
CSゴム栓(ゴムボール)
使用しない穴にキリコが絡む場合や逆流を防止するため、適宜穴に詰め込みご使用いただくゴム栓です。
| 型番 |
| GB-6.2 |
インサートネジ
ネジサイズを変更できます。
| 型番 | 外側 | 内側 | 全長 |
| IN8161 | M8×1.0 | M6×1.0 | 6 |
| IN812561 | M8×1.25 | M6×1.0 | 12 |
| IN10161 | M10×1.0 | M6×1.0 | 10 |
| IN1012561 | M10×1.25 | M6×1.0 | 10 |
| IN101561 | M10×1.5 | M6×1 | 10 |
スリーブカラー
使用前
使用後
スリーブをターレット等のホルダーに固定する際、スリーブのネジ穴とホルダーのセットボルトとが干渉する場合や、クーラントチューブスリーブを使用する際にノズルとクーラントチューブスリーブとの距離を調節するパーツです。
| 型式 | D(内径) | D1(外径) | t(厚み) |
| SC-253 | 25 | 32 | 3 |
| SC-255 | 25 | 32 | 5 |
| SC-323 | 32 | 38 | 3 |
| SC-325 | 32 | 38 | 5 |
| SC-403 | 40 | 46 | 3 |
| SC-405 | 40 | 46 | 5 |
ボールノズル用サラビス
ボールノズルの可動域を大きくできます。ステンレス製・小頭・六角穴
| 型番 | 頭径 | 全長 | ネジ |
| CAP-M5 | 8 | 10 | M5 |
| CAP-M6 | 10 | 12 | M6 |
| CAP-M8 | 12 | 16 | M8 |
クーラントチューブスリーブ
クーラントチューブスリーブ カタログ(PDF)
CNC旋盤用 新型ボーリングバースリーブ
内径旋削加工における「クーラントが刃先に届きにくい」という課題を、スリーブの構造で解決しました。
特長
- クーラントの方向変換
スリーブのつば部にクーラントの通り道を設けることで、内部給油を使わずとも、ボーリングバーに沿って刃先まで大量のクーラントを供給できます。 - 配管不要で簡単設置
複雑な配管や接続は一切不要。スリーブ側面の穴からクーラントを噴射するだけで使用可能です。 - 調整不要・安定供給
細かな調整をしなくても、安定して刃先までクーラントが届き、冷却・切削性能が向上します。 - 従来品と同等の使用感
特別な操作は不要で、従来のボーリングバースリーブと同様の感覚で使えます。 - 無人加工にも最適
切りくず排出が良い為、長時間の連続加工や、夜間の無人運転においても刃先の冷却が安定。工具寿命と加工効率の向上に貢献します。
中央一つ穴の機械向けのCSNシリーズもございます。詳細は下記のページをご覧下さい。
使用方法
クーラント誘導孔にクーラントを噴射するだけで使用出来ます。
接続不要なので、配管に手間取ることなく使用出来ます。
機械側に使用するノズルを用意しております。
クーラントチューブスリーブ 取扱説明書(PDFファイル)
製品仕様
フラット(平取り)4面
※図はクリックすると拡大できます。
寸法表
| d | D | L1 | L2 | L3 | L4 | L5 | L6 | D1 | 止めビス | 図 | |
| CS-0425 | 4 | 25 | 50 | 18 | 4.5 | 6.5 | 10 | 32 | M4 | 1 | |
| CS-0525 | 5 | 25 | 50 | 18 | 4.5 | 6.5 | 10 | 32 | M4 | 1 | |
| CS-0625 | 6 | 25 | 50 | 18 | 5 | 8 | 10 | 32 | M4 | 1 | |
| CS-0725 | 7 | 25 | 50 | 18 | 5 | 8 | 10 | 32 | M5 | 1 | |
| CS-0825 | 8 | 25 | 50 | 18 | 5 | 9 | 10 | 32 | M5 | 1 | |
| CS-1025 | 10 | 25 | 50 | 18 | 7 | 6 | 10 | 32 | M6 | 2 | |
| CS-1225 | 12 | 25 | 50 | 18 | 7 | 6 | 10 | 32 | M6 | 2 | |
| CS-1425 | 14 | 25 | 50 | 15 | 7 | 6 | 10 | 32 | M6 | 2 | |
| CS-1625 | 16 | 25 | 50 | 15 | 3.5 | 8 | 10 | 25 | 32 | M5 | 3 |
| CS-04254 | 4 | 25.4 | 50 | 18 | 4.5 | 6.5 | 10 | 32 | M4 | 1 | |
| CS-05254 | 5 | 25.4 | 50 | 18 | 4.5 | 6.5 | 10 | 32 | M4 | 1 | |
| CS-06254 | 6 | 25.4 | 50 | 18 | 5 | 8 | 10 | 32 | M4 | 1 | |
| CS-07254 | 7 | 25.4 | 50 | 18 | 5 | 8 | 10 | 32 | M5 | 1 | |
| CS-08254 | 8 | 25.4 | 50 | 18 | 5 | 9 | 10 | 32 | M5 | 1 | |
| CS-10254 | 10 | 25.4 | 50 | 18 | 7 | 6 | 10 | 32 | M6 | 2 | |
| CS-12254 | 12 | 25.4 | 50 | 18 | 7 | 6 | 10 | 32 | M6 | 2 | |
| CS-14254 | 14 | 25.4 | 50 | 15 | 7 | 6 | 10 | 32 | M6 | 2 | |
| CS-16254 | 16 | 25.4 | 50 | 15 | 3.5 | 25 | 10 | 25 | 32 | M5 | 3 |
| CS-0432 | 4 | 32 | 65 | 20 | 5 | 7 | 10 | 38 | M4 | 1 | |
| CS-0532 | 5 | 32 | 65 | 20 | 5 | 7 | 10 | 38 | M4 | 1 | |
| CS-0632 | 6 | 32 | 65 | 20 | 5 | 8 | 10 | 38 | M4 | 1 | |
| CS-0732 | 7 | 32 | 65 | 20 | 6 | 8 | 10 | 38 | M5 | 1 | |
| CS-0832 | 8 | 32 | 65 | 20 | 6 | 10 | 10 | 38 | M5 | 1 | |
| CS-1032 | 10 | 32 | 65 | 20 | 7 | 6 | 10 | 38 | M6 | 2 | |
| CS-1232 | 12 | 32 | 65 | 20 | 7 | 6 | 10 | 38 | M6 | 2 | |
| CS-1432 | 14 | 32 | 65 | 20 | 7 | 6 | 10 | 38 | M8 | 2 | |
| CS-1632 | 16 | 32 | 65 | 15 | 8 | 25 | 10 | 38 | M8 | 2 | |
| CS-2032 | 20 | 32 | 65 | 20 | 8 | 24 | 10 | 40 | M8 | 2 | |
| CS-0440 | 4 | 40 | 75 | 23 | 5 | 6 | 13 | 46 | M4 | 1 | |
| CS-0540 | 5 | 40 | 75 | 23 | 5 | 6 | 13 | 46 | M4 | 1 | |
| CS-0640 | 6 | 40 | 75 | 23 | 5 | 10 | 13 | 46 | M4 | 1 | |
| CS-0740 | 7 | 40 | 75 | 23 | 6 | 10 | 13 | 46 | M5 | 1 | |
| CS-0840 | 8 | 40 | 75 | 23 | 6 | 12 | 13 | 46 | M5 | 1 | |
| CS-1040 | 10 | 40 | 75 | 23 | 5 | 12 | 13 | 46 | M6 | 1 | |
| CS-1240 | 12 | 40 | 75 | 23 | 7 | 6 | 13 | 46 | M6 | 2 | |
| CS-1440 | 14 | 40 | 75 | 23 | 7 | 7 | 13 | 46 | M8 | 2 | |
| CS-1640 | 16 | 40 | 75 | 23 | 8 | 7 | 13 | 46 | M8 | 2 | |
| CS-2040 | 20 | 40 | 75 | 20 | 8 | 28 | 13 | 46 | M8 | 2 | |
| CS-2540 | 25 | 40 | 75 | 20 | 8 | 28 | 13 | 50 | M8 | 2 | |
| CS-1250 | 12 | 50 | 100 | 26 | 6 | 12 | 14 | 58 | M6 | 1 | |
| CS-1650 | 16 | 50 | 100 | 26 | 12 | 9 | 14 | 58 | M10 | 2 | |
| CS-2050 | 20 | 50 | 100 | 26 | 12 | 9 | 14 | 58 | M8 | 2 | |
| CS-2550 | 25 | 50 | 100 | 26 | 12 | 34 | 14 | 58 | M8 | 2 | |
| CS-3250 | 32 | 50 | 100 | 26 | 11.5 | 37 | 14 | 58 | M8 | 2 |
※製品の仕様予告なく変更になることがあります。
クーラントチューブスリーブ 取扱説明書(PDFファイル)
エルボ・ノズルのご案内
機械からクーラント噴射口に射出する場合、エルボが必要になります。
弊社製で在庫のエルボ・ノズルの他、株式会社 ナベヤ様、株式会社 ピスコ様のエルボもご利用頂けます。
対応ボールノズル選定質問票
エルボ・ノズルについて、以下の選定質問票を弊社までお送り頂ければ、推奨商品をご案内させて頂きます。
是非お気軽にお問い合わせ下さい。
ご記入頂きました選定質問票は、弊社までメールにてご送信下さい。お問い合わせフォームからも添付頂けます。
ファクス(0280-76-2815)の場合は、お客様ご連絡先をご記入の上、ご送信下さい。
オリジナルボールノズル
オークマ(株)製、DMG MORIなどノズルとスリーブの間隔が狭い機種に最適です。
| 型番 | D | L |
| CSBO-12 | 12 | 10 |
| CSBO-12.7 | 12.7 | |
| CSBO-14 | 14 | |
| CSBO-15 | 15 | |
| CSBO-15.8 | 15.8 | |
| CSBO-16 | 16 | |
| CSBO-18 | 18 | |
| CSBO-18-M6※ | 18 | |
| CSBO-22 | 22 | |
| CSBO-22-M6※ | 22 |
※射出孔にM6ネジのストレートノズルが接続できます。
輸入加工ボールノズル(弊社在庫品)
ストレートノズルと組み合わせてご使用になれます(CB10-M5を除く)。
| 型番 | D | L |
| CSB10-M5 | 10 | 9 |
| CSB12-M6 | 12 | 9 |
| CSB12.7-M6 | 12.7(1/2″) | 9 |
| CSB14-M6 | 14 | 7.5 |
| CSB-14.7-M6 | 14.7(3/8″) | 7.5 |
| CSB-15-M6 | 15 | 7.5 |
| CSB-15.8-M6 | 15.8(5/8″) | 7 |
| CSB-16-M6 | 16 | 7 |
ナベヤ インサートノズル BB型 参考記載
| 型番 | D | L | 参考価格 |
| BB101-3 | 10 | 6.4 | ¥2,660 |
| BB111-3 | 11 | 9.1 | ¥2,660 |
| BB121-3 | 12 | 9.1 | ¥2,660 |
| BB141-3 | 14 | 9.1 | ¥2,670 |
| BB151-3 | 15 | 9.1 | ¥3,190 |
| BB181-3 | 18 | 9.1 | ¥3,580 |
| BB221-3 | 22 | 9.1 | ¥3,620 |
GLOBE製 エルボ(弊社在庫品)
| 型番 | L | A | 定価 |
| CSE00-M5 | M5×0.8 | ¥600 | |
| CSE05-M5 | 5 | M5×0.8 | ¥1,200 |
| CSE15-M5 | 15 | M5×0.8 | ¥1,200 |
| CSE25-M5 | 25 | M5×0.8 | ¥1,200 |
| CSE35-M5 | 35 | M5×0.8 | ¥1,200 |
| CSE00-M6 | M6×1 | ¥600 | |
| CSE05-M6 | 5 | M6×1 | ¥1,200 |
| CSE15-M6 | 15 | M6×1 | ¥1,200 |
| CSE25-M6 | 25 | M6×1 | ¥1,200 |
| CSE35-M6 | 35 | M6×1 | ¥1,200 |
GLOBE製 ストレートノズル(弊社在庫品)
| 型番 | L | 定価 |
| SSS20-M6 | 15 | ¥600 |
| SSS30-M6 | 25 | ¥600 |
| SSS40-M6 | 35 | ¥600 |
台湾製 打込み式ノズル(弊社在庫品)
| 型番 | D | L | A |
| Φ10-M5 | Φ10 | 8 | M5×0.8 |
| Φ12-M6 | Φ12 | 8 | M6×1 |
| Φ13-M6 | Φ13 | 8 | M6×1 |
| Φ14ーM6 | Φ14 | 10 | M6×1 |
| Φ15-M6 | Φ15 | 10 | M6×1 |
| Φ16-M6 | Φ16 | 10 | M6×1 |
| Φ17-M6 | Φ17 | 10 | M6×1 |
ネジ付目玉ノズル
| 型番 | 外径D | ネジ |
| SSM10-M5 | Φ10 | M5×0.8 |
| SSM10-M6 | Φ10 | M6×1 |
| SSM12-M6 | Φ12 | M6×1 |
| SSM12.7-M6 | Φ12.7 | M6×1 |
| SSM14-M6 | Φ14 | M6×1 |
| SSM15-M8 (P×1.25) | Φ15 | M8×1.25 |
| SSM15.8-M8 (P×1.25) | Φ15.8 | M8×1.25 |
| SSM16-M8 (P×1.25) | Φ16 | M8×1.25 |
| SSM18-M8 (P×1.25) | Φ18 | M8×1.25 |
その他スリーブパーツ
整流板(内径Φ8以下付属)
クーラントの流れを整えるパーツです。
紛失した場合等はご連絡ください。
| 型番 | 適用サイズ |
| FSD | 8Φ以下 |
CSゴム栓(ゴムボール)
使用しない穴にキリコが絡む場合や逆流を防止するため、適宜穴に詰め込みご使用いただくゴム栓です。
| 型番 |
| GB-6.2 |
インサートネジ
ネジサイズを変更できます。
| 型番 | 外側 | 内側 | 全長 |
| IN8161 | M8×1.0 | M6×1.0 | 6 |
| IN812561 | M8×1.25 | M6×1.0 | 12 |
| IN10161 | M10×1.0 | M6×1.0 | 10 |
| IN1012561 | M10×1.25 | M6×1.0 | 10 |
| IN101561 | M10×1.5 | M6×1 | 10 |
スリーブカラー
使用前
使用後
スリーブをターレット等のホルダーに固定する際、スリーブのネジ穴とホルダーのセットボルトとが干渉する場合や、クーラントチューブスリーブを使用する際にノズルとクーラントチューブスリーブとの距離を調節するパーツです。
| 型式 | D(内径) | D1(外径) | t(厚み) |
| SC-253 | 25 | 32 | 3 |
| SC-255 | 25 | 32 | 5 |
| SC-323 | 32 | 38 | 3 |
| SC-325 | 32 | 38 | 5 |
| SC-403 | 40 | 46 | 3 |
| SC-405 | 40 | 46 | 5 |
ボールノズル用サラビス
ボールノズルの可動域を大きくできます。ステンレス製・小頭・六角穴
| 型番 | 頭径 | 全長 | ネジ |
| CAP-M5 | 8 | 10 | M5 |
| CAP-M6 | 10 | 12 | M6 |
| CAP-M8 | 12 | 16 | M8 |
中央一つ穴機械向けのクーラントチューブスリーブ
中央一つ穴機械に最適!
段取り・コストの両面で大きなメリット
中村留精密工業株式会社製 CNC旋盤など、中央一つ穴タイプの機械に対応した内径加工用スリーブです。
従来のような複雑なクーラント配管や面倒なノズル調整作業が不要で、段取り時間とランニングコストを大幅に削減できます。
特長
- 外部給油でも刃先まで安定供給
クーラントチューブにより、常に刃先に大量のクーラントを誘導。
内部給油に匹敵する冷却・排熱効果を実現します。
- 配管・接続不要
スリーブ側面にクーラントを噴射するだけ。専用装置・配管不要で、即戦力として活用できます。
製品パンフレット
製品仕様
| 型番 | d | D | L1 | L2 | L3 | L4 | L5 | L6 | D1 | 止めネジ | 図 |
| CSN-0425 | 4 | 25 | 50 | 18 | 4.5 | 6.5 | 10 | 32 | M4 | 1 | |
| CSN-0525 | 5 | 25 | 50 | 18 | 4.5 | 6.5 | 10 | 32 | M4 | 1 | |
| CSN-0625 | 6 | 25 | 50 | 18 | 5 | 8 | 10 | 32 | M4 | 1 | |
| CSN-0725 | 7 | 25 | 50 | 18 | 5 | 8 | 10 | 32 | M5 | 1 | |
| CSN-0825 | 8 | 25 | 50 | 18 | 5 | 9 | 10 | 32 | M5 | 1 | |
| CSN-1025 | 10 | 25 | 50 | 18 | 7 | 6 | 10 | 32 | M6 | 2 | |
| CSN-1225 | 12 | 25 | 50 | 18 | 7 | 6 | 10 | 32 | M6 | 2 | |
| CSN-1425 | 14 | 25 | 50 | 15 | 7 | 6 | 10 | 34 | M6 | 2 | |
| CSN-1625 | 16 | 25 | 50 | 15 | 3.5 | 8 | 10 | 25 | 34 | M5 | 3 |
| CSN-0432 | 4 | 32 | 65 | 20 | 5 | 7 | 10 | 38 | M4 | 1 | |
| CSN-0532 | 5 | 32 | 65 | 20 | 5 | 7 | 10 | 38 | M4 | 1 | |
| CSN-0632 | 6 | 32 | 65 | 20 | 5 | 8 | 10 | 38 | M4 | 1 | |
| CSN-0732 | 7 | 32 | 65 | 20 | 6 | 8 | 10 | 38 | M5 | 1 | |
| CSN-0832 | 8 | 32 | 65 | 20 | 6 | 10 | 10 | 38 | M5 | 1 | |
| CSN-1032 | 10 | 32 | 65 | 20 | 7 | 6 | 10 | 38 | M6 | 2 | |
| CSN-1232 | 12 | 32 | 65 | 20 | 7 | 6 | 10 | 38 | M6 | 2 | |
| CSN-1432 | 14 | 32 | 65 | 15 | 7 | 6 | 10 | 38 | M8 | 2 | |
| CSN-1632 | 16 | 32 | 65 | 15 | 8 | 25 | 10 | 38 | M8 | 2 | |
| CSN-2032 | 20 | 32 | 65 | 20 | 8 | 24 | 10 | 40 | M8 | 2 |
※製品の仕様は予告なく変更になることがあります。
中央一つ穴機械向けのクーラントチューブスリーブ
中央一つ穴機械に最適!
段取り・コストの両面で大きなメリット
中村留精密工業株式会社製 CNC旋盤など、中央一つ穴タイプの機械に対応した内径加工用スリーブです。
従来のような複雑なクーラント配管や面倒なノズル調整作業が不要で、段取り時間とランニングコストを大幅に削減できます。
特長
- 外部給油でも刃先まで安定供給
クーラントチューブにより、常に刃先に大量のクーラントを誘導。
内部給油に匹敵する冷却・排熱効果を実現します。
- 配管・接続不要
スリーブ側面にクーラントを噴射するだけ。専用装置・配管不要で、即戦力として活用できます。
詳細情報・関連パーツについて
製品パンフレット
製品仕様
※図はクリックすると拡大できます。
| 型番 | d | D | L1 | L2 | L3 | L4 | L5 | L6 | D1 | 止めネジ | 図 |
| CSN-0425 | 4 | 25 | 50 | 18 | 4.5 | 6.5 | 10 | 32 | M4 | 1 | |
| CSN-0525 | 5 | 25 | 50 | 18 | 4.5 | 6.5 | 10 | 32 | M4 | 1 | |
| CSN-0625 | 6 | 25 | 50 | 18 | 5 | 8 | 10 | 32 | M4 | 1 | |
| CSN-0725 | 7 | 25 | 50 | 18 | 5 | 8 | 10 | 32 | M5 | 1 | |
| CSN-0825 | 8 | 25 | 50 | 18 | 5 | 9 | 10 | 32 | M5 | 1 | |
| CSN-1025 | 10 | 25 | 50 | 18 | 7 | 6 | 10 | 32 | M6 | 2 | |
| CSN-1225 | 12 | 25 | 50 | 18 | 7 | 6 | 10 | 32 | M6 | 2 | |
| CSN-1425 | 14 | 25 | 50 | 15 | 7 | 6 | 10 | 34 | M6 | 2 | |
| CSN-1625 | 16 | 25 | 50 | 15 | 3.5 | 8 | 10 | 25 | 34 | M5 | 3 |
| CSN-0432 | 4 | 32 | 65 | 20 | 5 | 7 | 10 | 38 | M4 | 1 | |
| CSN-0532 | 5 | 32 | 65 | 20 | 5 | 7 | 10 | 38 | M4 | 1 | |
| CSN-0632 | 6 | 32 | 65 | 20 | 5 | 8 | 10 | 38 | M4 | 1 | |
| CSN-0732 | 7 | 32 | 65 | 20 | 6 | 8 | 10 | 38 | M5 | 1 | |
| CSN-0832 | 8 | 32 | 65 | 20 | 6 | 10 | 10 | 38 | M5 | 1 | |
| CSN-1032 | 10 | 32 | 65 | 20 | 7 | 6 | 10 | 38 | M6 | 2 | |
| CSN-1232 | 12 | 32 | 65 | 20 | 7 | 6 | 10 | 38 | M6 | 2 | |
| CSN-1432 | 14 | 32 | 65 | 15 | 7 | 6 | 10 | 38 | M8 | 2 | |
| CSN-1632 | 16 | 32 | 65 | 15 | 8 | 25 | 10 | 38 | M8 | 2 | |
| CSN-2032 | 20 | 32 | 65 | 20 | 8 | 24 | 10 | 40 | M8 | 2 |
※製品の仕様は予告なく変更になることがあります。

