地球印ドリルチャック
創業以来100余年、変わらぬ信頼優れた精度はJIS規格を上回る品質です。
製品機種、材種など、世界ナンバーワン。
アーバーも同時にご購入の場合、取付費用サービス実施中!
令和3年7月 一部商品のAA級廃盤のご案内(PDF)
AA級は、3・4・D4・D5・10MG・13MG のみとなります。
地球印ドリルチャック
創業以来100余年、変わらぬ信頼優れた精度はJIS規格を上回る品質です。
製品機種、材種など、世界ナンバーワン。
アーバーも同時にご購入の場合、取付費用サービス実施中!
令和3年7月 一部商品のAA級廃盤のご案内(PDFファイル)
AA級は、3・4・D4・D5・10MG・13MG のみとなります。
ドリルチャック商品リスト
商品には1個ハンドルが附属しています。 ハンドル無しのお見積・出荷も可能です。ハンドルのみ別売りしています。
※ご指定無き場合は、精密A級を出荷いたします。精密AA級をご希望の方は、発注時必ず精密AA級とご指定下さい。
振れ精度
精密A級 0.08mm以下
精密AA級 0.04mm以下
13MG標準品に、オープンマークが付きました。
ハンドル回転方向が容易に判別できます。
オープンマークは2016年出荷商品から、順次実施されています。
●優れた振れ精度
精密AA級刻印
地球印チャックは、普通級(精密A級)でも、JISを上回る多くの太さのテストバーによる振れ試験を施しております。
また、AA級は、非常に精度が高いです。 高精度なプロ用ボール盤などでご利用頂いたり、旋盤などで高精度な加工が可能です。シビアな用途にも実用可能です。
※標準品以外の特殊品はA級のみとなります。
JISを上回る本数のテストバーによる振れ試験検査 を行った上で出荷致しております。
精度等級には以下の2種類がございます。
精密A級 0.08mm以下
※ご指定無き場合は、精密A級を出荷いたします。
ELのついた呼び寸法のものも、振れ精度はMGクラスです。
参考: JIS規格では、ELは振れ精度0.20mm以下で良いことになっています。
精密AA級 0.04mm以下 本体に刻印を付し、精度票添付
非常に精度の高いドリルチャックです。
AA級は、3・4・D4・D5・10MG・13MG のみとなります。
令和3年7月 一部商品のAA級廃盤のご案内(PDF)
※精密AA級をご希望の方は、発注時必ず精密AA級とご指定下さい。
※特殊品(オールステンレス製・小径用・標準外テーパーの・ねじ取付・ツメ超硬チップ付)は、精密A級のみとなります。
●使いやすいハンドル
商品には、画像のような使いやすい堅牢な一体型のオリジナル新型チャックハンドルを1個添付しております(一部商品は従来型ハンドルのみになります)。
ハンドル無しのお見積・出荷も可能です。ハンドルのみ別売りしています。
一体型
従来型
●耐久性
良質な素材と精密加工、適切な熱処理により、抜群の耐久性です。
13MG以上の商品は、ツメ修理も可能です。
メッキ処理も可能です。
●把握力
独自の品質管理により常に安定した把握力を保ちます。
●テーパ部
優れた焼き入れ内研仕上げによりテーパ部の当たりは良好で強力な取付が出来ます。
※一部標準外テーパーの品はリーマ仕上げです。
取付方法
- 振れの確認
主軸・アーバー・治具などに円周振れ(ランアウト)が無いことを確認してください。
※目安として3/1000mm(0.003mm)以下が理想です。 - ツメの位置調整
チャックのツメが本体より出ないように引っ込めた状態にしてください。 - テーパー部の清掃
チャックのテーパー部および主軸・アーバー側のテーパー部に付着した油分やゴミを完全に拭き取ってください。 - チャックの打ち込み
テーパー部に傷を付けないよう注意しながら、チャックを差し込みます。以下を目安に、プラスチックハンマーまたは木ハンマーで3回程度打ち込み固定してください。
| テーパー型式 | 目安打撃力 |
| JT0, JTD, JT1 | 約300g |
| JT2S, JT6 | 約450g |
| JT3, JT4, JT5 | 約900g |
※チャックと主軸またはアーバー端面に0.5〜2mm程度のすき間があって正常です。強く打ち込みすぎると破損の恐れがあります。
ドリルチャック商品リスト
商品には1個ハンドルが附属しています。 ハンドル無しのお見積・出荷も可能です。ハンドルのみ別売りしています。
※ご指定無き場合は、精密A級を出荷いたします。精密AA級をご希望の方は、発注時必ず精密AA級とご指定下さい。
振れ精度
精密A級 0.08mm以下
精密AA級 0.04mm以下
| 特殊仕様 | ||||||||||||
| 型式 | 標準 使用範囲 | 小径用使用範囲 | 標準取付け形式 | 適合 ハンドル | ハンドル 穴径 | D | L₁ | L₂ | ツメリード | 重量(g) 本体 | 標準以外のテーパ | ステンレス製 |
| 3㎜ | 0.4~3.2 | 0.1、0.2 | JT0 | K-03 | 3.2 | 21 | 34 | 28.5 | 10 | 44 | ||
| 4㎜ | 0.4~4 | 0.1、0.2 | SUS4 | |||||||||
| D4㎜ | 0.4~4 | 0.1、0.2 | JTD | K-00 | 4 | 25 | 40 | 32.5 | 11 | 78 | ||
| D5㎜ | 0.4~5 | 0.1、0.2 | 73 | |||||||||
| 5㎜MG | 0.5~5 | 0.2 | JT1 | K-01 | 4 | 31 | 48.5 | 40.5 | 12 | 138 | JT0 | |
| 6.5㎜EL | 0.5~6.5 | 136 | SUS6.5 | |||||||||
| 6.5ELネジ | 0.5~6.5 | ⅜-24UNF | SUS6.5ネジ | |||||||||
| 6.5㎜MG | 0.5~6.5 | JT1 | K-1A | 5.5 | 35.5 | 54 | 45 | 13 | 200 | JT0 | ||
| J8㎜ | 0.5~8 | 200 | SUSJ8 | |||||||||
| J8㎜ネジ | 0.5~8 | ⅜-24UNF | SUSJ8ネジ | |||||||||
| 10㎜EL | 0.5~10 | JT2S (角度は2と同じ) | K-1A | 5.5 | 35.5 | 65 | 55 | 13 | 300 | JT1,JTD | ||
| 10㎜MG | 0.5~10 | 0.3 | K-2 | 6.5 | 43.8 | 68 | 55.5 | 19 | 355 | SUS10 | ||
| 10MGネジ | 0.5~10 | ½-20UNF | ||||||||||
| 13㎜EL | 0.7~13 | JT6 (JT2 ½と同じ) | K-2 | 6.5 | 44.5 | 80 | 63.5 | 19 | 500 | JT2S,JT1 | ||
| 13㎜MG | 0.7~13 | 0.3 | K-13 | 8 | 55 | 88.5 | 68.5 | 26 | 700 | JT33, JT2S,JT1 | SUS13 | |
| 13MGネジ | 0.7~13 | 1/2-20UNF | SUS13ネジ | |||||||||
| 5/8-16UNF | ||||||||||||
| 14㎜ | 0.7~14 | JT3 | K-14 | 9 | 59.5 | 96 | 73.5 | 26 | 915 | JT6,JT2SS JT33 | ||
| 16㎜ | 3.2~16 | 31 | 910 | |||||||||
| 19㎜ | 0.8~19 | JT4 | K-4 | 9.5 | 74 | 126 | 96.5 | 31.5 | 1830 | JT3,JT6 JT33 | ||
| 22㎜ | 5~22 | 36 | 1800 | |||||||||
| 25㎜ | 6~25.4 | JT5 | K-5 | 10.9 | 88 | 149 | 110.5 | 44 | 2880 | JT4,JT6 | ||
13MG標準品に、オープンマークが付きました。
ハンドル回転方向が容易に判別できます。
オープンマークは2016年出荷商品から、順次実施されています。
●優れた振れ精度
精密AA級刻印
地球印チャックは、普通級(精密A級)でも、JISを上回る多くの太さのテストバーによる振れ試験を施しております。
また、AA級は、非常に精度が高いです。 高精度なプロ用ボール盤などでご利用頂いたり、旋盤などで高精度な加工が可能です。シビアな用途にも実用可能です。
※標準品以外の特殊品はA級のみとなります。
JISを上回る本数のテストバーによる振れ試験検査 を行った上で出荷致しております。
精度等級には以下の2種類がございます。
精密A級 0.08mm以下
※ご指定無き場合は、精密A級を出荷いたします。
ELのついた呼び寸法のものも、振れ精度はMGクラスです。
参考: JIS規格では、ELは振れ精度0.20mm以下で良いことになっています。
精密AA級 0.04mm以下 本体に刻印を付し、精度票添付
非常に精度の高いドリルチャックです。
AA級は、3・4・D4・D5・10MG・13MG のみとなります。
令和3年7月 一部商品のAA級廃盤のご案内(PDFファイル)
※精密AA級をご希望の方は、発注時必ず精密AA級とご指定下さい。
※特殊品(オールステンレス製・小径用・標準外テーパーの・ねじ取付・ツメ超硬チップ付)は、精密A級のみとなります。
●使いやすいハンドル
商品には、画像のような使いやすい堅牢な一体型のオリジナル新型チャックハンドルを1個添付しております(一部商品は従来型ハンドルのみになります)。
ハンドル無しのお見積・出荷も可能です。ハンドルのみ別売りしています。
一体型
従来型
●耐久性
良質な素材と精密加工、適切な熱処理により、抜群の耐久性です。
13MG以上の商品は、ツメ修理も可能です。
メッキ処理も可能です。
●把握力
独自の品質管理により常に安定した把握力を保ちます。
●テーパ部
優れた焼き入れ内研仕上げによりテーパ部の当たりは良好で強力な取付が出来ます。
※一部標準外テーパーの品はリーマ仕上げです。
取付方法
- 振れの確認
主軸・アーバー・治具などに円周振れ(ランアウト)が無いことを確認してください。
※目安として3/1000mm(0.003mm)以下が理想です。 - ツメの位置調整
チャックのツメが本体より出ないように引っ込めた状態にしてください。 - テーパー部の清掃
チャックのテーパー部および主軸・アーバー側のテーパー部に付着した油分やゴミを完全に拭き取ってください。 - チャックの打ち込み
テーパー部に傷を付けないよう注意しながら、チャックを差し込みます。以下を目安に、プラスチックハンマーまたは木ハンマーで3回程度打ち込み固定してください。
| テーパー型式 | 目安打撃力 |
| JT0, JTD, JT1 | 約300g |
| JT2S, JT6 | 約450g |
| JT3, JT4, JT5 | 約900g |
※チャックと主軸またはアーバー端面に0.5〜2mm程度のすき間があって正常です。強く打ち込みすぎると破損の恐れがあります。
注意事項
- チャッキングは専用ハンドルを使用し、3カ所を均等に締め付けてください。完了後はハンドルを外してください。
- 刃物はツメの中心でまっすぐに取り付け、作業後には取り外してください。
- 回転中の部品には触れず、覗き込まず、無理な姿勢での作業は避けてください。
- 回転中は手袋を着用せず、巻き込まれやすい物を近づけないでください。
- 作業中は保護メガネを使用し、髪や衣服は巻き込まれないようにまとめてください。
- 切粉や刃部には素手で触れないでください。
- 刃物は大小を偏らせず平均的に使用し、切れの悪い刃物は使用しないでください。
- 横送り加工はチャックに負荷がかかるため、慎重に行ってください。
- 取付以外の目的でチャックに衝撃を与えたり、内部に向けてエアブローしないでください。
- ハンドルの延長(継ぎ足し)、分解、改造、加熱などは厳禁です。
- 割れ・欠け・摩耗・変形・刃物の振れなど異常が見られる場合は使用しないでください。
- 工具は本来の目的以外では使用しないでください。
注意事項
- チャッキングは専用ハンドルを使用し、3カ所を均等に締め付けてください。完了後はハンドルを外してください。
- 刃物はツメの中心でまっすぐに取り付け、作業後には取り外してください。
- 回転中の部品には触れず、覗き込まず、無理な姿勢での作業は避けてください。
- 回転中は手袋を着用せず、巻き込まれやすい物を近づけないでください。
- 作業中は保護メガネを使用し、髪や衣服は巻き込まれないようにまとめてください。
- 切粉や刃部には素手で触れないでください。
- 刃物は大小を偏らせず平均的に使用し、切れの悪い刃物は使用しないでください。
- 横送り加工はチャックに負荷がかかるため、慎重に行ってください。
- 取付以外の目的でチャックに衝撃を与えたり、内部に向けてエアブローしないでください。
- ハンドルの延長(継ぎ足し)、分解、改造、加熱などは厳禁です。
- 割れ・欠け・摩耗・変形・刃物の振れなど異常が見られる場合は使用しないでください。
- 工具は本来の目的以外では使用しないでください。
特殊仕様チャックのご案内
弊社では、標準品の他に下記のような特殊仕様のドリルチャックも製作しております。用途や使用条件に応じてカスタマイズが可能ですので、お気軽にご相談ください。
医療機器や食品加工など、衛生管理が求められる環境での使用に最適です。耐腐食性にも優れています。
大きなチャック本体で、より細いワークを確実に把握したい場合に適した仕様です。
小さいテーパー軸に、大型チャックを取り付けたい場合など、特殊なテーパー形状に合わせた製作が可能です。
主軸端がネジ仕様のスピンドルに対応するための、ねじ込み式チャックです。
ツメ先端に超硬チップを装着しており、摩耗を防止し、長寿命化を実現します。
チャック本体と主軸をビスで固定することで、抜け落ちを防止します。特に縦向き作業や高負荷作業におすすめです。
特殊仕様チャックのご案内
弊社では、標準品の他に下記のような特殊仕様のドリルチャックも製作しております。用途や使用条件に応じてカスタマイズが可能ですので、お気軽にご相談ください。
医療機器や食品加工など、衛生管理が求められる環境での使用に最適です。耐腐食性にも優れています。
大きなチャック本体で、より細いワークを確実に把握したい場合に適した仕様です。
小さいテーパー軸に、大型チャックを取り付けたい場合など、特殊なテーパー形状に合わせた製作が可能です。
主軸端がネジ仕様のスピンドルに対応するための、ねじ込み式チャックです。
ツメ先端に超硬チップを装着しており、摩耗を防止し、長寿命化を実現します。
チャック本体と主軸をビスで固定することで、抜け落ちを防止します。特に縦向き作業や高負荷作業におすすめです。
標準ドリルチャックの振れ精度
JIS規格(JIS B4634)には、( 5MG 6.5MG 13MG 16 6.5EL 13EL )の規格があります。
JIS規格とGLOBEの社内規格の相違点をご紹介します。
- 振れ精度
| 種類 | JIS規格の振れ精度 | GLOBEハンドル式ドリルチャックの振れ精度 | |
|---|---|---|---|
| 精密A級 | 精密AA級※ | ||
工作機械用(MG) | 0.08mm以下 | 0.08mm以下 | 0.04mm以下 |
携帯電気ドリル用(EL) | 0.20mm以下 | ||
※ELでもMGと同様の振れ精度を誇ります。
※AA級は、3・4・D4・D5・10MG・13MG のみとなります。
詳細は以下のPDFファイルをご覧ください。
令和3年7月 一部商品のAA級廃盤のご案内(PDF)
- 振れ試験に使用するテストバー種類とテストインジケータを当てる部分の突きだし長さ設定方法
弊社での突きだし長さ設定方法は以下の図のようにツメ先端部から測定し、設定します。
チャックサイズ | テストバー小 | テストバー中 | テストバー大 |
3mm | φ2×20 | φ2.5×25 | |
4mm D4 | φ2.5×25 | φ3×25 | φ3.5×45 |
5mm D5※ | φ2.5×25 | φ3.5×45 | φ4.5×60 |
6.5mm | φ3×45 | φ4.5×60 | φ6×70 |
J8mm | φ3.5×45 | φ5×60 | φ6.5×70 |
10mm | φ4.5×60 | φ6.5×70 | φ9×85 |
13mm | φ6.5×70 | φ9×85 | φ12×110 |
14mm | φ6.5×70 | φ9×95 | φ13×110 |
16mm | φ8×80 | φ12×110 | φ15×120 |
19mm | φ10×90 | φ16×110 | φ18×120 |
22mm | φ12×105 | φ17×110 | φ21×120 |
25mm | φ13×95 | φ19×110 | φ24×130 |
※JIS規格では、本体先端(端面)からの長さ(L寸法)ということになっています。
単位:mm
※JIS規格では、テストバー1本のみの測定で良いことになっていますが、GLOBE製品は、A級はテストバー大と中の2本、AA級はテストバー大・中・小の3本で検査しております。すべて、このように、多くのテストバーによる振れ試験を行っております。特に細いものでも試験している点は見逃せません。
※D5はJIS規格には規格されていません。
標準ドリルチャックの振れ精度
JIS規格(JIS B4634)には、(5MG 6.5MG 13MG 16 6.5EL 13EL)の規格があります。
JIS規格とGLOBEの社内規格の相違点をご紹介します。
- 振れ精度
| 種類 | JIS規格の振れ精度 | GLOBEハンドル式ドリルチャックの振れ精度 | |
|---|---|---|---|
| 精密A級 | 精密AA級※ | ||
工作機械用(MG) | 0.08mm以下 | 0.08mm以下 | 0.04mm以下 |
携帯電気ドリル用(EL) | 0.20mm以下 | ||
※ELでもMGと同様の振れ精度を誇ります。
※AA級は、3・4・D4・D5・10MG・13MG のみとなります。
詳細は以下のPDFファイルをご覧ください。
令和3年7月 一部商品のAA級廃盤のご案内(PDFファイル)
- 振れ試験に使用するテストバー種類とテストインジケータを当てる部分の突きだし長さ設定方法
弊社での突きだし長さ設定方法は以下の図のようにツメ先端部から測定し、設定します。
チャックサイズ (緑のもののみJIS規格品種) | テストバー小 | テストバー中 | テストバー大 |
3mm | φ2×20 | φ2.5×25 | |
4mm D4 | φ2.5×25 | φ3×25 | φ3.5×45 |
5mm D5※ | φ2.5×25 | φ3.5×45 | φ4.5×60 |
6.5mm | φ3×45 | φ4.5×60 | φ6×70 |
J8mm | φ3.5×45 | φ5×60 | φ6.5×70 |
10mm | φ4.5×60 | φ6.5×70 | φ9×85 |
13mm | φ6.5×70 | φ9×85 | φ12×110 |
14mm | φ6.5×70 | φ9×95 | φ13×110 |
16mm | φ8×80 | φ12×110 | φ15×120 |
19mm | φ10×90 | φ16×110 | φ18×120 |
22mm | φ12×105 | φ17×110 | φ21×120 |
25mm | φ13×95 | φ19×110 | φ24×130 |
※JIS規格では、本体先端(端面)からの長さ(L寸法)ということになっています。
単位:mm
※JIS規格では、緑のテストバー1本のみの測定で良いことになっていますが、GLOBE製品は、A級はテストバー大と中の2本、AA級はテストバー大・中・小の3本で検査しております。すべて、このように、多くのテストバーによる振れ試験を行っております。特に細いものでも試験している点は見逃せません。
※D5はJIS規格には規格されていません。
ドリルチャック ローレットカバー修正方法
■ ローレットカバーの位置ずれについて
長年ご使用いただいているドリルチャックでは、ローレットカバーがずれてしまう場合がございます。
特にハンドルのみをお求めいただいた際に「ハンドルが本体に挿入できない」というお問い合わせを頂くケースでは、このカバーのずれが原因であることがほとんどです。そのような場合は、下記の要領で修正いただけます。
また、チャック本体を弊社までお送りいただけましたら、修理対応も承っております。
お困りの際は、お気軽にご相談ください。
ドリルチャック ローレットカバー修正方法
■ ローレットカバーの位置ずれについて
長年ご使用いただいているドリルチャックでは、ローレットカバーがずれてしまう場合がございます。
特にハンドルのみをお求めいただいた際に「ハンドルが本体に挿入できない」というお問い合わせを頂くケースでは、このカバーのずれが原因であることがほとんどです。そのような場合は、下記の要領で修正いただけます。
また、チャック本体を弊社までお送りいただけましたら、修理対応も承っております。
お困りの際は、お気軽にご相談ください。
ISO239ドリルチャックテーパのジャコブステーパタイプmm表示による。
Dは、現在ジャコブステーパシステムから除かれております。
片側角度は、参考記載ですので、度、分までしか換算しておりません。
1と2Sの中間にMというJT規格もございます。ただし、特定用途・特定メーカー向けのため、ほとんど使われません。
ご注意
寸法表は参考記載ですので、実際のテーパーの当りはゲージまたは現物合わせにより行って下さい。
当り出しには、 新明丹 しんみょうたん をおすすめします
参考 : テーパには、このほかにいくつかあります。
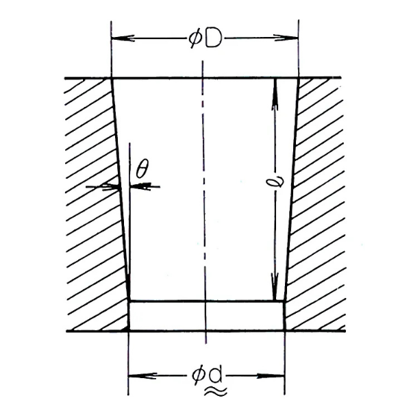
JT番号 | D | d | l | Taper on diameter | 片側角度θ |
0 | 6.350 | 5.802 | 11.112 | 1:20.288=0.04929 | 1°24′7506 |
D | 8.000 | 6.883 | 14.000 | 0.07979 | 2°17′0696 |
1 | 9.754 | 8.469 | 16.669 | 1:12.972=0.07709 | 2°12′4410 |
2short | 13.940 | 12.386 | 19.050 | 1:12.262=0.08155 | 2°20′1390 |
2 | 14.199 | 12.386 | 22.225 | 1:12.262=0.08155 | 2°20′1390 |
33 | 15.850 | 14.237 | 25.400 | 1:15.748=0.06350 | 1°49′1184 |
6(2½) | 17.170 | 15.852 | 25.400 | 1:19.264=0.05191 | 1°29′1714 |
3 | 20.599 | 18.951 | 30.956 | 1:18.779=0.05325 | 1°31′4856 |
4 | 28.550 | 26.346 | 42.069 | 1:19.084=0.05240 | 1°30′0312 |
5 | 35.890 | 33.422 | 47.625 | 1:19.305=0.05183 | 1°29′0544 |
モールステーパ(Morse Taper)
旋盤・フライス盤・ボール盤のスピンドルやテーパーシャンクドリルのテーパ等に幅広く使用され、No.0~7まで、8種類あります。記号はMTを付して表します。
アメリカのモールスツイストドリル社がドリルのシャンクとして開発したそうで、あらゆるテーパの中で、これだけ幅広く使用されていることを鑑みると、非常に優れた発明と言えましょう。
取付方法により、形状は、タング式・引きネジ式の2種類があります。
テーパーは一定しておりませんが、およそ1/20です。
また、ほとんど使われていませんが、右表のような、ドリルチャック用のショートサイズ・モールステーパ規格もあります。
テーパ番号 | D | d | l | テーパ | |
モールス番号 | テーパ比 | ||||
B10 | 10.094 | 9.4 | 14.5 | 1 | 0.04988 |
B12 | 12.065 | 11.1 | 18.5 | ||
B16 | 15.733 | 14.5 | 24.0 | 2 | 0.04995 |
B18 | 17.780 | 16.2 | 32.0 | ||
B22 | 21.793 | 19.8 | 40.5 | 3 | 0.05020 |
B24 | 23.825 | 21.3 | 50.5 | ||
ボルトグリップテーパ
マシニングセンタなどで使用され、 7/24のテーパです。
記号は BTを付して表します。
アメリカンスタンダードテーパ(ナショナルスタンダードテーパ NST)
フライス盤主軸穴などで使用され、 7/24(16°35.6´)のテーパです。
記号はNTを付して表します。
ブラウンシャープテーパ
フライス盤などに使用され、テーパーは1/24です。
記号はB&Sを付して表します。
ジャーノーテーパ(Jarno Taper)
非常に古い旋盤主軸に使用されていたことがあるようです。単位はインチになります。
現在では使用されていないものと思われます。
ジャーノテーパの場合、各部分の寸法がテーパ番号と単純な関係になっています。
テーパー資料
JT番号 | D | d | l | Taper on diameter | 片側角度θ |
0 | 6.350 | 5.802 | 11.112 | 1:20.288=0.04929 | 1°24′7506 |
D | 8.000 | 6.883 | 14.000 | 0.07979 | 2°17′0696 |
1 | 9.754 | 8.469 | 16.669 | 1:12.972=0.07709 | 2°12′4410 |
2short | 13.940 | 12.386 | 19.050 | 1:12.262=0.08155 | 2°20′1390 |
2 | 14.199 | 12.386 | 22.225 | 1:12.262=0.08155 | 2°20′1390 |
33 | 15.850 | 14.237 | 25.400 | 1:15.748=0.06350 | 1°49′1184 |
6(2½) | 17.170 | 15.852 | 25.400 | 1:19.264=0.05191 | 1°29′1714 |
3 | 20.599 | 18.951 | 30.956 | 1:18.779=0.05325 | 1°31′4856 |
4 | 28.550 | 26.346 | 42.069 | 1:19.084=0.05240 | 1°30′0312 |
5 | 35.890 | 33.422 | 47.625 | 1:19.305=0.05183 | 1°29′0544 |
ISO239ドリルチャックテーパのジャコブステーパタイプmm表示による。
Dは、現在ジャコブステーパシステムから除かれております。
片側角度は、参考記載ですので、度、分までしか換算しておりません。
1と2Sの中間にMというJT規格もございます。ただし、特定用途・特定メーカー向けのため、ほとんど使われません。
ご注意
寸法表は参考記載ですので、実際のテーパーの当りはゲージまたは現物合わせにより行って下さい。
当り出しには、 新明丹 しんみょうたん をおすすめします
参考 : テーパには、このほかにいくつかあります。
モールステーパ(Morse Taper)
旋盤・フライス盤・ボール盤のスピンドルやテーパーシャンクドリルのテーパ等に幅広く使用され、No.0~7まで、8種類あります。記号はMTを付して表します。
アメリカのモールスツイストドリル社がドリルのシャンクとして開発したそうで、あらゆるテーパの中で、これだけ幅広く使用されていることを鑑みると、非常に優れた発明と言えましょう。
取付方法により、形状は、タング式・引きネジ式の2種類があります。
テーパーは一定しておりませんが、およそ1/20です。
また、ほとんど使われていませんが、下表のような、ドリルチャック用のショートサイズ・モールステーパ規格もあります。
テーパ番号 | D | d | l | テーパ | |
モールス番号 | テーパ比 | ||||
B10 | 10.094 | 9.4 | 14.5 | 1 | 0.04988 |
B12 | 12.065 | 11.1 | 18.5 | ||
B16 | 15.733 | 14.5 | 24.0 | 2 | 0.04995 |
B18 | 17.780 | 16.2 | 32.0 | ||
B22 | 21.793 | 19.8 | 40.5 | 3 | 0.05020 |
B24 | 23.825 | 21.3 | 50.5 | ||
ボルトグリップテーパ
マシニングセンタなどで使用され、 7/24のテーパです。
記号は BTを付して表します。
アメリカンスタンダードテーパ(ナショナルスタンダードテーパ NST)
フライス盤主軸穴などで使用され、 7/24(16°35.6´)のテーパです。
記号はNTを付して表します。
ブラウンシャープテーパ
フライス盤などに使用され、テーパーは1/24です。
記号はB&Sを付して表します。
ジャーノーテーパ(Jarno Taper)
非常に古い旋盤主軸に使用されていたことがあるようです。単位はインチになります。
現在では使用されていないものと思われます。
ジャーノテーパの場合、各部分の寸法がテーパ番号と単純な関係になっています。



