CNCダイスホルダー
ターレットダイスホルダー
ミーリングダイスホルダー
としてもご使用頂ける、汎用のダイスホルダーです。
CNC旋盤、マシニングセンター等 による高精度オスねじ切りにおすすめ致します。
ダイスによるねじ切りを真っ直ぐ、正確に加工出来ます。
ダイス取付け方法に関する説明をご覧のうえ、ご使用下さい。
タップシャンクタイプ
自動機で安心の切粉排出設計です。
簡単!タッピング感覚でダイスによるオスねじ切りが出来ます。
DH20とDH25のシャンクはJIS M16のタップ規格と同じ、DH38のシャンクはJIS M18のタップ規格と同じ、DH50-のシャンクはJIS M26のタップ規格と同じです。
お手持ちのタッパーやコレット、ミーリングチャックをご使用頂けます。
シャンクを、DH20とDH25は、13ミリ以上のドリルチャックで、DH38は14ミリ以上のドリルチャックで、DH50-は22ミリ以上のドリルチャックで把握して使用することも可能です。
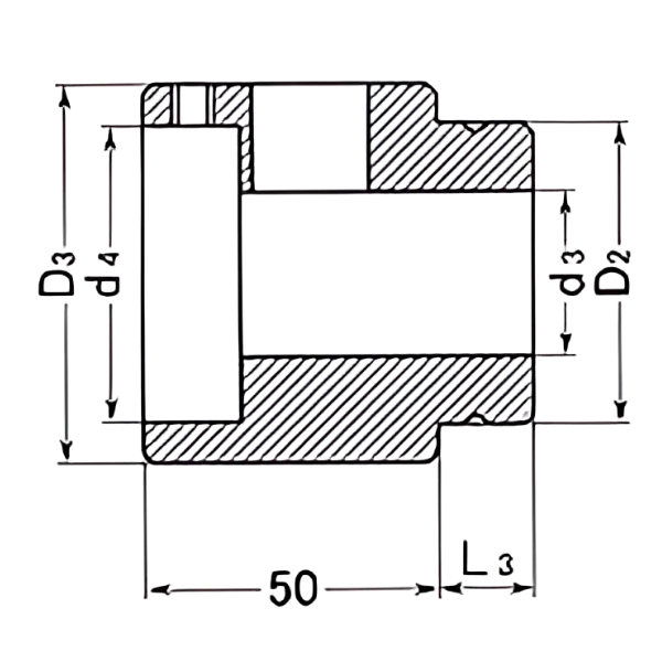
型式 | d1 +0.01~-0 | ダイス寸法 | L1 | D1 | D2 | K | d2 | L2 | L4 | L5 | L6 | L8 | タップシャンク |
DH20-12.5 | 20.0 | Φ20×L7 | 6 | 30 | 12.5 | 10 | 11 | 25 | 11 | 25 | 42 | 13 | JIS M16 |
DH25-12.5 | 25.0 | Φ25×L9 | 8 | 37 | 12.5 | 10 | 16 | 30 | 14 | 30 | 42 | 13 | |
DH38-14 | 38 | Φ38×L13 | 12 | 52 | 14 | 11 | 23 | 40 | 19 | 40 | 46 | 14 | JIS M18 |
DH50-20 | 50 | Φ50×L16 | 15 | 64 | 20 | 15 | 28 | 45 | 22 | 45 | 52 | 18 | JIS M26 |
※タッパーやチャックの形式は、機械が同期の場合はフローティング無し、非同期の場合はフローティング有りが一般的ですが、詳しくはツーリングメーカーや機械メーカーにご確認下さい。
※ダイスの厚みによってはご使用いただけない場合がございますので、ご注意ください。
※内径D寸法は、公差+0.01~-0で製作しております。ソリッドタイプなどD寸法に近いダイスでご使用下さい。
ダイス取付け方法に関する説明をご覧のうえ、ご使用下さい。
ストレートシャンクタイプ
自動機で安心の切粉排出設計です。
旋盤のターレットやコレット、ミーリングチャックに接続できます。
型式 | d1 +0.01~-0 | ダイス寸法 | L1 | D1 | D2 | d2 | L2 | d3 | L3 | L4 | L5 | L6 | L7 |
DH38-25 | 38.0 | Φ38×L13 | 12 | 52 | 25 | 23 | 40 | 11 | 28 | 19 | 40 | 65 | 23.5 |
DH50-32 | 50.0 | Φ50×L16 | 15 | 64 | 32 | 28 | 45 | 15 | 40 | 22 | 45 | 70 | 30 |
※タッパーやチャックの形式は、機械が同期の場合はフローティング無し、非同期の場合はフローティング有りが一般的ですが、詳しくはツーリングメーカーや機械メーカーにご確認下さい。
※内径D寸法は、公差+0.01~-0で製作しております。ソリッドタイプなどD寸法に近いダイスでご使用下さい。
をご覧のうえ、ご使用下さい。
※ダイスの厚みによってはご使用いただけない場合がございますので、ご注意ください。
※ダイス取付け方法に関する説明をご覧のうえ、ご使用下さい。
ダイスソケット (別売品)
ダイスソケット仕様寸法表
DH50-20 DH50-32専用
型式 | ダイス取付部内径・外形 | 本体外径 | 本体内径 | 延長寸法 |
DS50×50S | 50 | 64 | 27 | 50 |
ダイススリーブ(別売品)
DH50シリーズのCNCダイスホルダーで、25径と38径のダイスが使用できます。
外径・内径は寸法公差0.00~0.01で製作しております。
弊社「ダイスホルダー」(CNCタイプではないもの)には専用のダイススリーブをご使用下さい。
他社のダイスホルダーには使用出来ません。
ダイススリーブ仕様寸法表
DH50-20 DH50-32専用
型式 | 外径 | ダイス取付部内径 | 本体内径 |
DS25×50S | 50 | 25径 | 19 |
DS38×50S | 50 | 38径 | 27 |
参考 市販のダイス径とねじサイズ(OSG殿のカタログより引用)
ダイス径 | 製作されているダイス (一般用RDダイス) |
20径 | M1.4~M6 |
25径 | M2~M10 |
38径 | M5~M16 |
50径 | M8~M26 |
ダイス取付け方法に関する説明
CNCダイスホルダーは、精密な加工が出来るように、内径D寸法は、公差+0.01~-0で製作しております。
ソリッドタイプなどD寸法に近いダイスでご使用下さい。
ソリッドダイスの取付け部分は特殊な位置関係となっているため、取り付けねじの締め方については、右の図をご参照下さい。
CNCダイスホルダー
ターレットダイスホルダー
ミーリングダイスホルダー
としてもご使用頂ける、汎用のダイスホルダーです。
CNC旋盤、マシニングセンター等 による高精度オスねじ切りにおすすめ致します。
ダイスによるねじ切りを真っ直ぐ、正確に加工出来ます。
ダイス取付け方法に関する説明をご覧のうえ、ご使用下さい。
タップシャンクタイプ
自動機で安心の切粉排出設計です。
簡単!タッピング感覚でダイスによるオスねじ切りが出来ます。
DH20とDH25のシャンクはJIS M16のタップ規格と同じ、DH38のシャンクはJIS M18のタップ規格と同じ、DH50-のシャンクはJIS M26のタップ規格と同じです。
お手持ちのタッパーやコレット、ミーリングチャックをご使用頂けます。
シャンクを、DH20とDH25は、13ミリ以上のドリルチャックで、DH38は14ミリ以上のドリルチャックで、DH50-は22ミリ以上のドリルチャックで把握して使用することも可能です。
型式 | d1 +0.01~-0 | ダイス寸法 | L1 | D1 | D2 | K | d2 | L2 | L4 | L5 | L6 | L8 | タップシャンク |
DH20-12.5 | 20.0 | Φ20×L7 | 6 | 30 | 12.5 | 10 | 11 | 25 | 11 | 25 | 42 | 13 | JIS M16 |
DH25-12.5 | 25.0 | Φ25×L9 | 8 | 37 | 12.5 | 10 | 16 | 30 | 14 | 30 | 42 | 13 | |
DH38-14 | 38 | Φ38×L13 | 12 | 52 | 14 | 11 | 23 | 40 | 19 | 40 | 46 | 14 | JIS M18 |
DH50-20 | 50 | Φ50×L16 | 15 | 64 | 20 | 15 | 28 | 45 | 22 | 45 | 52 | 18 | JIS M26 |
※タッパーやチャックの形式は、機械が同期の場合はフローティング無し、非同期の場合はフローティング有りが一般的ですが、詳しくはツーリングメーカーや機械メーカーにご確認下さい。
※ダイスの厚みによってはご使用いただけない場合がございますので、ご注意ください。
※内径D寸法は、公差+0.01~-0で製作しております。ソリッドタイプなどD寸法に近いダイスでご使用下さい。
ダイス取付け方法に関する説明をご覧のうえ、ご使用下さい。
ストレートシャンクタイプ
自動機で安心の切粉排出設計です。
旋盤のターレットやコレット、ミーリングチャックに接続できます。
型式 | d1 +0.01~-0 | ダイス寸法 | L1 | D1 | D2 | d2 | L2 | d3 | L3 | L4 | L5 | L6 | L7 |
DH38-25 | 38.0 | Φ38×L13 | 12 | 52 | 25 | 23 | 40 | 11 | 28 | 19 | 40 | 65 | 23.5 |
DH50-32 | 50.0 | Φ50×L16 | 15 | 64 | 32 | 28 | 45 | 15 | 40 | 22 | 45 | 70 | 30 |
※タッパーやチャックの形式は、機械が同期の場合はフローティング無し、非同期の場合はフローティング有りが一般的ですが、詳しくはツーリングメーカーや機械メーカーにご確認下さい。
※内径D寸法は、公差+0.01~-0で製作しております。ソリッドタイプなどD寸法に近いダイスでご使用下さい。
をご覧のうえ、ご使用下さい。
※ダイスの厚みによってはご使用いただけない場合がございますので、ご注意ください。
※ダイス取付け方法に関する説明をご覧のうえ、ご使用下さい。
ダイスソケット (別売品)
DH50シリーズのCNCダイスホルダーを50㎜延長し、長ネジにも対応出来ます。
外径・内径は寸法公差0.00~0.01で製作しております。
弊社「ダイスホルダー」(CNCタイプではないもの)には専用のダイスソケットをご使用下さい。
他社のダイスホルダーには使用出来ません。
ダイスソケット仕様寸法表
DH50-20 DH50-32専用
型式 | ダイス取付部内径・外形 | 本体外径 | 本体内径 | 延長寸法 |
DS50×50S | 50 | 64 | 27 | 50 |
ダイススリーブ(別売品)
DH50シリーズのCNCダイスホルダーで、25径と38径のダイスが使用できます。
外径・内径は寸法公差0.00~0.01で製作しております。
弊社「ダイスホルダー」(CNCタイプではないもの)には専用のダイススリーブをご使用下さい。
他社のダイスホルダーには使用出来ません。
ダイススリーブ仕様寸法表
DH50-20 DH50-32専用
型式 | 外径 | ダイス取付部内径 | 本体内径 |
DS25×50S | 50 | 25径 | 19 |
DS38×50S | 50 | 38径 | 27 |
参考 市販のダイス径とねじサイズ(OSG殿のカタログより引用)
ダイス径 | 製作されているダイス (一般用RDダイス) |
20径 | M1.4~M6 |
25径 | M2~M10 |
38径 | M5~M16 |
50径 | M8~M26 |
ダイス取付け方法に関する説明
CNCダイスホルダーは、精密な加工が出来るように、内径D寸法は、公差+0.01~-0で製作しております。
ソリッドタイプなどD寸法に近いダイスでご使用下さい。
ソリッドダイスの取付け部分は特殊な位置関係となっているため、取り付けねじの締め方については、右の図をご参照下さい。
ダイスホルダー スライドタイプ
DH50-J4S
・φ50㎜ダイス用。
・スライド幅は60㎜。
・セットボルト2本と、スリーブDS38×50、DS25×50 が付属しております。
・取り付けはJT4のチャックアーバーから機械に合わせてお選び下さい。
・チャックアーバーは別売りです。
※セットボルトは、スライド部の固定をすると共に、回り止めキーにもなっています。
単品でパーツ販売しておりますので、傷んだら交換して下さい。
セットボルトは、1つの本体に、2本使用されております。すべて交換する場合は、2本必要です。
型式 | ダイス寸法 | アーバー取付部 | 対応機種アーバー | スライド量 | 全長 | 外径 |
DH50-J4S | φ50×L16 | JT4 | 4×2, 4×3, 4×4, 4×5, 4×32 | 60 | 154~214 | φ64 |
※セットボルト2本と、スリーブDS38×50、DS25×50付属
取付方法
① ダイスホルダー本体のジャコブステーパー部(JT)に付着した油やゴミを完全に拭き取ってください。油分が取りにくい場合は、洗浄剤をご使用ください。
※油分やゴミが残っていると脱落や芯振れの原因になります。
② ご使用の機械の取付型式に合ったチャックアーバー(別売)をご用意のうえ、①と同様にテーパー部の油分やゴミを拭き取ってください。
③ ダイスホルダー本体にはオイルホールが設けてあります。チャックアーバーをセットする際は、モールステーパーのタングの掛かる向きやストレート部のフラット面の向きを確認し、オイルホールが適切な位置にくるよう差し込んでください。
このとき、チャックアーバーのナットがダイスホルダー本体に接触しない位置で行ってください。このナットは、チャックアーバーの取り外しに使用して、オイルホール位置の調整等に使用します。
④ 位置が決まりましたら、銅板等の上にチャックアーバーを上にして置き、タングまたは端面を大きめのプラスチックハンマーや木ハンマーで叩いて固定してください。
※スライドタイプをご使用の場合は、スライド部を引っ込めてセットボルトで固定した状態で叩いてください。
⑤ 機械にセットする際は、チャックアーバーの機械側の油やゴミを除去してから機械に差し込んでください。
その後、モールステーパー部を再度ダイスホルダー本体の端面を叩いてしっかり固定してください。
使用方法および注意事項
①アジャスタブルダイスを取り付ける場合には、切削するネジサイズに合わせてダイスを調整してください。
② ダイスホルダー内径にダイスを入れ、もみ付け部をビスで固定してください。
※本体内径より小さいダイスを使用する場合は、ダイススリーブにセットしてからホルダー本体に挿入してください。
※本体内径の長さ(図L2)より長いネジを切削する場合は、ダイスソケットをご使用ください。
③-a 手動で切削する場合:旋盤のテールストックをスライドさせ、ダイスホルダーが送り方向にフリーの状態にしてください。
③-b 自動で切削する場合:機械の送りはワークのネジピッチに合わせて設定してください。
※ダイスホルダーには送りアジャスト機能がありません。逆転でダイスを戻す際にワークを傷める恐れがあります。
※機種により自動使用ができない場合があるため、機械メーカーにプログラム等をご確認ください。
④ 固定式使用時:ワークまたはダイスを回転させながら、ダイスの刃をワークに押し付けてください。ネジが切れ始まると、ダイスが引き込まれてネジが切れます。
スライド式使用時:ローレット部を手で持ち、ワークを回転させながらダイス刃を押し当ててください。
※このときロックナットは少し緩めた状態にしてください。スライドの必要がない場合は、ロックナットを締めて固定して使用できます。
⑤ 必要に応じて、オイルホールまたはダイス部に切削油を注油してください。
⑥ 所定の長さまで切削が完了したら、ワークまたはダイスの回転を停止し、逆回転でダイスを戻してください。
※スライドを戻すとき、本体とのスライド部の隙間が狭くなります。指を挟まないようにご注意ください。
安全上の注意
※ 刃物の切れが悪いとワークに傷が付いたり、チャックアーバーが外れる恐れがあります。
※ 巻き込まれやすいため、手袋は使用しないでください。
※ 巻き込まれやすい物を近づけないでください。
※ 切削中は回転している部分に触れないでください。
※ 作業中は必ず保護メガネを着用し、髪や衣服などをまとめてください。
※ 切粉や刃先に素手で触れないでください。
※ 取付け以外でダイスホルダーに衝撃を与えないでください。
※ 割れ、欠け、磨耗、変形など異常が見られた場合は使用を中止してください。
※ 本来の使用目的以外には工具を使用しないでください。
ダイスホルダー スライドタイプ
DH50-J4S
・φ50㎜ダイス用。
・スライド幅は60㎜。
・セットボルト2本と、スリーブDS38×50、DS25×50 が付属しております。
・取り付けはJT4のチャックアーバーから機械に合わせてお選び下さい。
・チャックアーバーは別売りです。
※セットボルトは、スライド部の固定をすると共に、回り止めキーにもなっています。
単品でパーツ販売しておりますので、傷んだら交換して下さい。
セットボルトは、1つの本体に、2本使用されております。すべて交換する場合は、2本必要です。
|
型式 |
ダイス寸法 |
アーバー取付部 |
対応機種アーバー |
スライド量 |
全長 |
外径 |
|
DH50-J4S |
φ50×L16 |
JT4 |
4×2, 4×3, 4×4, 4×5, 4×32
|
60 |
154~214 |
φ64 |
※セットボルト2本と、スリーブDS38×50、DS25×50付属
取付方法
① ダイスホルダー本体のジャコブステーパー部(JT)に付着した油やゴミを完全に拭き取ってください。油分が取りにくい場合は、洗浄剤をご使用ください。
※油分やゴミが残っていると脱落や芯振れの原因になります。
② ご使用の機械の取付型式に合ったチャックアーバー(別売)をご用意のうえ、①と同様にテーパー部の油分やゴミを拭き取ってください。
③ ダイスホルダー本体にはオイルホールが設けてあります。チャックアーバーをセットする際は、モールステーパーのタングの掛かる向きやストレート部のフラット面の向きを確認し、オイルホールが適切な位置にくるよう差し込んでください。
このとき、チャックアーバーのナットがダイスホルダー本体に接触しない位置で行ってください。このナットは、チャックアーバーの取り外しに使用して、オイルホール位置の調整等に使用します。
④ 位置が決まりましたら、銅板等の上にチャックアーバーを上にして置き、タングまたは端面を大きめのプラスチックハンマーや木ハンマーで叩いて固定してください。
※スライドタイプをご使用の場合は、スライド部を引っ込めてセットボルトで固定した状態で叩いてください。
⑤ 機械にセットする際は、チャックアーバーの機械側の油やゴミを除去してから機械に差し込んでください。
その後、モールステーパー部を再度ダイスホルダー本体の端面を叩いてしっかり固定してください。
使用方法および注意事項
①アジャスタブルダイスを取り付ける場合には、切削するネジサイズに合わせてダイスを調整してください。
② ダイスホルダー内径にダイスを入れ、もみ付け部をビスで固定してください。
※本体内径より小さいダイスを使用する場合は、ダイススリーブにセットしてからホルダー本体に挿入してください。
※本体内径の長さ(図L2)より長いネジを切削する場合は、ダイスソケットをご使用ください。
③-a 手動で切削する場合:旋盤のテールストックをスライドさせ、ダイスホルダーが送り方向にフリーの状態にしてください。
③-b 自動で切削する場合:機械の送りはワークのネジピッチに合わせて設定してください。
※ダイスホルダーには送りアジャスト機能がありません。逆転でダイスを戻す際にワークを傷める恐れがあります。
※機種により自動使用ができない場合があるため、機械メーカーにプログラム等をご確認ください。
④ 固定式使用時:ワークまたはダイスを回転させながら、ダイスの刃をワークに押し付けてください。ネジが切れ始まると、ダイスが引き込まれてネジが切れます。
スライド式使用時:ローレット部を手で持ち、ワークを回転させながらダイス刃を押し当ててください。
※このときロックナットは少し緩めた状態にしてください。スライドの必要がない場合は、ロックナットを締めて固定して使用できます。
⑤ 必要に応じて、オイルホールまたはダイス部に切削油を注油してください。
⑥ 所定の長さまで切削が完了したら、ワークまたはダイスの回転を停止し、逆回転でダイスを戻してください。
※スライドを戻すとき、本体とのスライド部の隙間が狭くなります。指を挟まないようにご注意ください。
安全上の注意
※ 刃物の切れが悪いとワークに傷が付いたり、チャックアーバーが外れる恐れがあります。
※ 巻き込まれやすいため、手袋は使用しないでください。
※ 巻き込まれやすい物を近づけないでください。
※ 切削中は回転している部分に触れないでください。
※ 作業中は必ず保護メガネを着用し、髪や衣服などをまとめてください。
※ 切粉や刃先に素手で触れないでください。
※ 取付け以外でダイスホルダーに衝撃を与えないでください。
※ 割れ、欠け、磨耗、変形など異常が見られた場合は使用を中止してください。
※ 本来の使用目的以外には工具を使用しないでください。
ダイスホルダー 固定タイプ
DH50-J4 φ50㎜ダイス用
DH38-J6 φ38㎜ダイス用
・DH50-J4には、スリーブDS38×50、DS25×50付属、DH38-J6には、スリーブDS25×38、DS20×38付属しております。
・シンプルなデザイン
・自動送り、テールストックのスライドにより、スライド部分が不要な場合に経済的です。
・アーバーのセット位置により、オイルホールの位置が機械に合わせて変更できます(スライドタイプ共通)。
・取り付けは、DH50-J4はJT4、 DH38-J6はJT6のチャックアーバーから機械に合わせてお選び下さい。
・チャックアーバーは別売りです。
スプリングによるアジャストは有りませんので、自動機でご使用される場合には、プログラムが機種によって異なります。機械メーカー様にご確認下さい。機種によっては、ご使用頂けない場合があります。
固定タイプ仕様寸法表
型式 | d1ダイス寸法 | アーバー取付部 | 対応機種アーバー | L1 | L2 | L3 | D1,D3 | d2,d3 |
DH50-J4 | Φ50×L16 | JT4 (44) | 4×2, 4×3, 4×4, 4×5, 4×32 | 110 | 50 | 16 | 64 | 27 |
DH38-J6 | Φ38×L13 | JT6 (27) | 6×1, 6×2, 6×3, 6×4, 6×5, 6×12, 6×16, 6×20, 6×25, 6×32 | 90 | 50 | 13 | 54 | 23 |
DH50-J4には、スリーブDS38×50、DS25×50付属、DH38-J6には、スリーブDS25×38、DS20×38付属
・パーツ類(スライドタイプ・固定タイプ専用)
パーツ類は弊社ダイスホルダー専用となります
ダイスホルダー 固定タイプ
DH50-J4 φ50㎜ダイス用
DH38-J6 φ38㎜ダイス用
・DH50-J4には、スリーブDS38×50、DS25×50付属、DH38-J6には、スリーブDS25×38、DS20×38付属しております。
・シンプルなデザイン
・自動送り、テールストックのスライドにより、スライド部分が不要な場合に経済的です。
・アーバーのセット位置により、オイルホールの位置が機械に合わせて変更できます(スライドタイプ共通)。
・取り付けは、DH50-J4はJT4、 DH38-J6はJT6のチャックアーバーから機械に合わせてお選び下さい。
・チャックアーバーは別売りです。
スプリングによるアジャストは有りませんので、自動機でご使用される場合には、プログラムが機種によって異なります。機械メーカー様にご確認下さい。機種によっては、ご使用頂けない場合があります。
固定タイプ仕様寸法表
型式 | d1ダイス寸法 | アーバー取付部 | 対応機種アーバー | L1 | L2 | L3 | D1,D3 | d2,d3 |
DH50-J4 | Φ50×L16 | JT4 (44) | 4×2, 4×3, 4×4, 4×5, 4×32 | 110 | 50 | 16 | 64 | 27 |
DH38-J6 | Φ38×L13 | JT6 (27) | 6×1, 6×2, 6×3, 6×4, 6×5, 6×12, 6×16, 6×20, 6×25, 6×32 | 90 | 50 | 13 | 54 | 23 |
DH50-J4には、スリーブDS38×50、DS25×50付属、DH38-J6には、スリーブDS25×38、DS20×38付属
・パーツ類(スライドタイプ・固定タイプ専用)
パーツ類は弊社ダイスホルダー専用となります
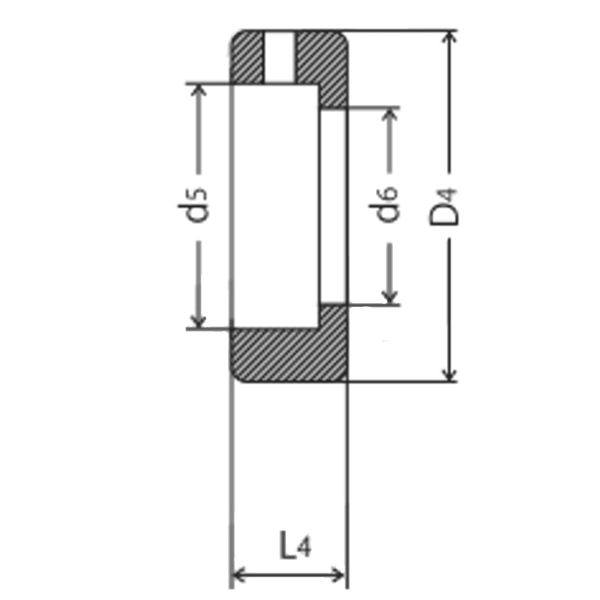
ダイススリーブ (DS20×50のみ別売り)
ダイススリーブ仕様寸法表
型式 | 仕様ダイス寸法 | D4 | d5 | d6 | L4 | 備考※ |
DS38×50 | Φ38×L13 | 50 | 38 | 27 | 16 | 本体に付属 |
DS25×50 | Φ25×L9 | 50 | 25 | 18 | 16 | |
DS20×50 | Φ20×L7 | 50 | 20 | 14 | 16 | 別売 |
DS25×38 | Φ25×L9 | 38 | 25 | 18 | 13 | 本体に付属 |
DS20×38 | Φ20×L7 | 38 | 20 | 14 | 13 |
※DH50-J4Sには、ダイススリーブ DS38×50、DS25×50 が付属しております
DH50-J4には、スリーブDS38×50、DS25×50付属、DH38-J6には、スリーブDS25×38、DS20×38付属しております。
DS20×50のみ別売りとなります。
使用ダイス径と必要なスリーブ一覧
使用するダイスホルダー本体 | 使用したいダイス寸法 | 必要なダイススリーブ | 備考 |
DH50-J4S DH50-J4 | Φ50×L16 | 不要 | 本体にそのまま装着 |
Φ38×L13 | DS38×50 | 本体に付属 | |
Φ25×L9 | DS25×50 | ||
Φ20×L7 | DS20×50 | 別売 | |
DH38-J6 | Φ38×L13 | 不要 | 本体にそのまま装着 |
Φ25×L9 | DS25×38 | 本体に付属 | |
Φ20×L7 | DS20×38 |
参考 市販のダイス径とねじサイズ(OSG殿のカタログより引用)
ダイス寸法 | 製作されているダイス (一般用RDダイス) |
Φ20×L7 | M1.4~M6 |
Φ25×L9 | M2~M10 |
Φ38×L13 | M5~M16 |
Φ50×L16 | M8~M26 |
ダイススリーブ (DS20×50のみ別売り)
直径の小さいダイスに対応出来ます。
弊社「CNCダイスホルダー」には専用のダイススリーブをご使用下さい。
他社のダイスホルダーには使用出来ません。
ダイススリーブ仕様寸法表
型式 | 仕様ダイス寸法 | D4 | d5 | d6 | L4 | 備考※ |
DS38×50 | Φ38×L13 | 50 | 38 | 27 | 16 | 本体に付属 |
DS25×50 | Φ25×L9 | 50 | 25 | 18 | 16 | |
DS20×50 | Φ20×L7 | 50 | 20 | 14 | 16 | 別売 |
DS25×38 | Φ25×L9 | 38 | 25 | 18 | 13 | 本体に付属 |
DS20×38 | Φ20×L7 | 38 | 20 | 14 | 13 |
※DH50-J4Sには、ダイススリーブ DS38×50、DS25×50 が付属しております
DH50-J4には、スリーブDS38×50、DS25×50付属、DH38-J6には、スリーブDS25×38、DS20×38付属しております。
DS20×50のみ別売りとなります。
使用ダイス径と必要なスリーブ一覧
使用するダイスホルダー本体 | 使用したいダイス寸法 | 必要なダイススリーブ | 備考 |
DH50-J4S DH50-J4 | Φ50×L16 | 不要 | 本体にそのまま装着 |
Φ38×L13 | DS38×50 | 本体に付属 | |
Φ25×L9 | DS25×50 | ||
Φ20×L7 | DS20×50 | 別売 | |
DH38-J6 | Φ38×L13 | 不要 | 本体にそのまま装着 |
Φ25×L9 | DS25×38 | 本体に付属 | |
Φ20×L7 | DS20×38 |
ダイス寸法 | 製作されているダイス (一般用RDダイス) |
Φ20×L7 | M1.4~M6 |
Φ25×L9 | M2~M10 |
Φ38×L13 | M5~M16 |
Φ50×L16 | M8~M26 |
参考 市販のダイス径とねじサイズ(OSG殿のカタログより引用)
セットボルト (1セット本体に付属)

スライドタイプ DH50J4Sの標準付属品で、スライド部の固定をすると共に、回り止めキーにもなっています。
単品でパーツ販売しておりますので、傷んだら交換して下さい。
セットボルトは、1つの本体に、2本使用されております。すべて交換する場合は、2本必要です。
他社のダイスホルダーには使用出来ません。
セットボルト (1セット本体に付属)

スライドタイプ DH50J4Sの標準付属品で、スライド部の固定をすると共に、回り止めキーにもなっています。
単品でパーツ販売しておりますので、傷んだら交換して下さい。
セットボルトは、1つの本体に、2本使用されております。すべて交換する場合は、2本必要です。
他社のダイスホルダーには使用出来ません。

