汎用タップチャック
台湾製のタップチャックで、全品国内検査のうえ出荷しております。
ジャコブステーパータイプと、モールステーパーシャンク一体型がございます。
チャック本体にはトルククラッチやフローティング機構は付いておりません。
タップ加工には弊社の ツメ超硬チップ付ドリルチャック も便利です。
下穴からタップまで加工できます。
汎用タップチャック
ジャコブステーパータイプ
一個のチャックで、幅広いサイズのタップに対応できます
タップシャンクと四角部の両方をチャッキングするため、スリップしたり逆転時ゆるむことがありません
※全商品、三つ爪開閉用フックスパナと四角部チャッキング用六角レンチが付属しております。
コードNo. | 型式 | 使用範囲 (把握径) | 適用タップサイズ | 取付 テーパー | L(mm) | φD(mm) | 質量(g) | ||
ミリ | ユニファイ U | 管用 P | |||||||
35061 | CP-M12-JT6 | φ4~φ9 | M3~M12 | №5(1/8)~1/2 | 1/16・1/8 | JT6 | 72.5 | 43 | 640 |
35063 | CP-M12-JT2S | JT2S | 663 | ||||||
35056 | CP-M16-JT6 | φ4~φ12.5 | M3~M16 | №5(1/8)~5/8 | 1/16 ・1/8 ・1/4 | JT6 | 80.5 | 50 | 914 |
35083 | CP-M18-JT6 | φ7~φ14 | M9~M18 | 3/8~3/4 | 1/16・1/8 ・1/4 ・3/8 | 82.5 | 51 | 1057 | |
ジャコブステーパータイプ
一個のチャックで、幅広いサイズのタップに対応できます
タップシャンクと四角部の両方をチャッキングするため、スリップしたり逆転時ゆるむことがありません
※全商品、三つ爪開閉用フックスパナと四角部チャッキング用六角レンチが付属しております。
コードNo. | 型式 | 使用範囲 (把握径) | 適用タップサイズ | 取付 テーパー | L(mm) | φD(mm) | 質量(g) | ||
ミリ | ユニファイ U | 管用 P | |||||||
35061 | CP-M12-JT6 | φ4~φ9 | M3~M12 | №5(1/8)~1/2 | 1/16・1/8 | JT6 | 72.5 | 43 | 640 |
35063 | CP-M12-JT2S | JT2S | 663 | ||||||
35056 | CP-M16-JT6 | φ4~φ12.5 | M3~M16 | №5(1/8)~5/8 | 1/16 ・1/8 ・1/4 | JT6 | 80.5 | 50 | 914 |
35083 | CP-M18-JT6 | φ7~φ14 | M9~M18 | 3/8~3/4 | 1/16・1/8 ・1/4 ・3/8 | 82.5 | 51 | 1057 | |
モールステーパーシャンク一体型
剛性が高い一体型です。
機械の主軸がモールステーパーの場合におすすめです。
※全商品、三つ爪開閉用フックスパナと四角部チャッキング用六角レンチが付属しております。
コードNo. | 型式 | 使用範囲 (把握径) | 適用タップサイズ | 取付 テーパー | L(mm) | L1(mm) | φD(mm) | 質量(g) | ||
ミリ | ユニファイ U | 管用 P | ||||||||
35015 | CP-M12-MT2 | φ4~φ9 | M3~M12 | №5(1/8)~1/2 | 1/16・1/8 | MT2 | 129 | 49 | 43 | 590 |
35017 | CP-M12-MT3 | MT3 | 148 | 710 | ||||||
35051 | CP-M16-MT2 | φ4~φ12.5 | M3~M16 | №5(1/8)~5/8 | 1/16・1/8・1/4 | MT2 | 136 | 60 | 48.5 | 732 |
35052 | CP-M16-MT3 | MT3 | 155 | 882 | ||||||
35031 | CP-M18-MT2 | φ7~φ14 | M9~M18 | 3/8~3/4 | 1/16・1/8・1/4・3/8 | MT2 | 143.5 | 58 | 51 | 924 |
35033 | CP-M18-MT3 | MT3 | 162.5 | 1074 | ||||||
35035 | CP-M18-MT4 | MT4 | 187.5 | 1380 | ||||||
モールステーパーシャンク一体型
剛性が高い一体型です。
機械の主軸がモールステーパーの場合におすすめです。
※全商品、三つ爪開閉用フックスパナと四角部チャッキング用六角レンチが付属しております。
コードNo. | 型式 | 使用範囲 (把握径) | 適用タップサイズ | 取付 テーパー | L(mm) | L1(mm) | φD(mm) | 質量(g) | ||
ミリ | ユニファイ U | 管用 P | ||||||||
35015 | CP-M12-MT2 | φ4~φ9 | M3~M12 | №5(1/8)~1/2 | 1/16・1/8 | MT2 | 129 | 49 | 43 | 590 |
35017 | CP-M12-MT3 | MT3 | 148 | 710 | ||||||
35051 | CP-M16-MT2 | φ4~φ12.5 | M3~M16 | №5(1/8)~5/8 | 1/16・1/8・1/4 | MT2 | 136 | 60 | 48.5 | 732 |
35052 | CP-M16-MT3 | MT3 | 155 | 882 | ||||||
35031 | CP-M18-MT2 | φ7~φ14 | M9~M18 | 3/8~3/4 | 1/16・1/8・1/4・3/8 | MT2 | 143.5 | 58 | 51 | 924 |
35033 | CP-M18-MT3 | MT3 | 162.5 | 1074 | ||||||
35035 | CP-M18-MT4 | MT4 | 187.5 | 1380 | ||||||
修理パーツ
修理パーツにつきましては、下記図面をご参照の上、ご発注下さい。
全部品弊社にて在庫しております。
クイックチェンジタップコレット
ワンタッチで簡単にタップの交換が出来るタップコレットです。
ジャコブステーパー仕様なので、ボール盤等の主軸がジャコブステーパーの機械に最適です。
ドリルチャックアーバーと組み合わせることで旋盤でも使用できます。
クラッチ機能付タイプと固定タイプの二種類ラインナップ
クラッチ機能付タイプは、止まり穴のタップ立てやタップ折れ防止に便利です。
固定タイプはシンプルな構造なので様々なシーンでマルチにご使用いただけます。
タップコレットフォルダーの後端にジャコブステーパー(メス)を設けています。
弊社製ドリルチャックアーバーと組み合わせて使用することも可能です。
※固定タイプ・クラッチ機能付タイプ共通
タップコレットに押し込むだけでタップを固定できます。
タップを取る際は、コレットのフチを押し込みながらタップを引き抜くだけで取り除けます。
※画像は固定タイプです。
コレットとコレットフォルダーもワンタッチで脱着可能です。
コレットはタップのシャンク径各サイズ専用品となっておりますので、使用するタップのシャンク径にあわせてそれぞれ購入して頂く必要があります。
クイックチェンジタップコレット
固定タイプ
(CNC同期自動機向き)
クラッチ機能付タイプ
(汎用手送り向き)
ワンタッチで簡単にタップの交換が出来るタップコレットです。
ジャコブステーパー仕様なので、ボール盤等の主軸がジャコブステーパーの機械に最適です。
ドリルチャックアーバーと組み合わせることで旋盤でも使用できます。
クラッチ機能付タイプと固定タイプの二種類ラインナップ
クラッチ機能付タイプは、止まり穴のタップ立てやタップ折れ防止に便利です。
固定タイプはシンプルな構造なので様々なシーンでマルチにご使用いただけます。
タップコレットフォルダーの後端にジャコブステーパー(メス)を設けています。
弊社製ドリルチャックアーバーと組み合わせて使用することも可能です。
※固定タイプ・クラッチ機能付タイプ共通
タップコレットに押し込むだけでタップを固定できます。
タップを取る際は、コレットのフチを押し込みながらタップを引き抜くだけで取り除けます。
※画像は固定タイプです。
コレットとコレットフォルダーもワンタッチで脱着可能です。
コレットはタップのシャンク径各サイズ専用品となっておりますので、使用するタップのシャンク径にあわせてそれぞれ購入して頂く必要があります。
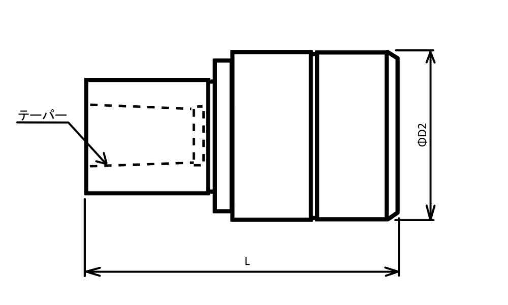
ラインナップ・製品仕様
コレットホルダー
| 型番 | タップ把握能力 | L | ΦD | テーパー | 対応コレット |
|---|---|---|---|---|---|
| TC312-JT6 | M3-M14 | 66 | 32 | JT6 | TC312 |
| TC312-JT2S | M3-M14 | 61 | 32 | JT2S | TC312B |
| TC820-JT6 | M8-M24 | 86 | 50 | JT6 | TC820・TC820B |
※対応するコレットが型番により異なりますのでご注意ください。
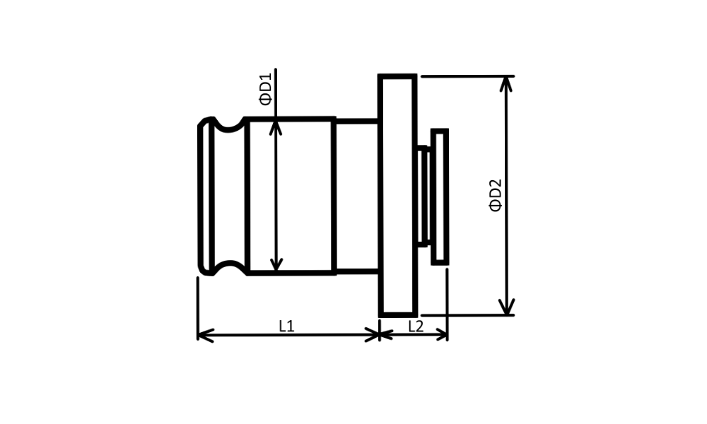
コレット(固定タイプ)
| 型番 | タップ把握能力 | タップシャンク寸法 | L1 | L2 | ΦD1 | ΦD2 | 対応ホルダー | ||
|---|---|---|---|---|---|---|---|---|---|
| 軸径 | 四角 | ||||||||
| TC312B-M2 | M2 | 3 | 2.5 | 22 | 15 | 19 | 30 | TC312-JT6 TC312-JT2S | |
| TC312B-M3 | M3 | #5・#6 | 4 | 3.2 | |||||
| TC312B-M4 | M4・M4.5 | #8 | 5 | 4 | |||||
| TC312B-M5 | M5・M5.5 | #10 | 5.5 | 4.5 | |||||
| TC312B-M6 | M6 | UNC1/4 | 6 | 4.5 | |||||
| TC312B-UNC5/16 | UNC5/16 | 6.1 | 5 | ||||||
| TC312B-M8 | M8・M7 | 6.2 | 5 | ||||||
| TC312B-M10 | M10・M9 | UNC3/8 | 7 | 5.5 | |||||
| TC312B-M11 | M11 | UNC7/16 | 8 | 6 | |||||
| TC312B-M12 | M12 | 8.5 | 6.5 | ||||||
| TC312B-UNC1/2 | UNC1/2 | 9 | 7 | ||||||
| TC312B-M14 | M14 | UNC9/16 | 10.5 | 8.5 | |||||
| 型番 | タップ把握能力 | タップシャンク寸法 | L1 | L2 | ΦD1 | ΦD2 | 対応ホルダー | ||
|---|---|---|---|---|---|---|---|---|---|
| 軸径 | 四角 | ||||||||
| TC820B-M5 | M5・M5.5 | #10 | 5.5 | 4.5 | 36 | 30.5 | 31 | 48 | TC820-JT6 |
| TC820B-M6 | M6 | UNC1/4 | 6 | 4.5 | |||||
| TC820B-UNC5/16 | UNC5/16 | 6.1 | 5 | ||||||
| TC820B-M8 | M8・M7 | 6.2 | 5 | ||||||
| TC820B-M10 | M10・M9 | UNC3/8 | 7 | 5.5 | |||||
| TC820B-M11 | M11 | UNC7/16 | 8 | 6 | |||||
| TC820B-M12 | M12 | 8.5 | 6.5 | ||||||
| TC820B-UNC1/2 | UNC1/2 | 9 | 7 | ||||||
| TC820B-M14 | M14・M15 | UNC9/16 | 10.5 | 8 | |||||
| TC820B-UNC5/8 | UNC5/8 | 12 | 9 | ||||||
| TC820B-M16 | M16 | 12.5 | 10 | ||||||
| TC820B-M18 | M18 | UNC3/4 | 14 | 11 | |||||
| TC820B-M20 | M20 | 15 | 12 | ||||||
| TC820B-M22 | M22 | UNC7/8 | 17 | 13 | |||||
| TC820B-M24 | M24・M25 | 19 | 15 | ||||||
※対応するホルダーが型番により異なりますのでご注意ください。
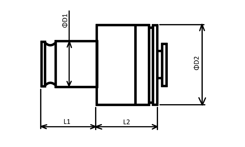
コレット(クラッチ機能付きタイプ)
| 型番 | タップ把握能力 | タップシャンク寸法 | L1 | L2 | ΦD1 | ΦD2 | 対応ホルダー | ||
|---|---|---|---|---|---|---|---|---|---|
| 軸径 | 四角 | ||||||||
| TC312-M2 | M2 | 3 | 2.5 | 22 | 15 | 19 | 32 | TC312-JT6 TC312-JT2S | |
| TC312-M3 | M3 | #5・#6 | 4 | 3.2 | |||||
| TC312-M4 | M4・M4.5 | #8 | 5 | 4 | |||||
| TC312-M5 | M5・M5.5 | #10 | 5.5 | 4.5 | |||||
| TC312-M6 | M6 | UNC1/4 | 6 | 4.5 | |||||
| TC312-UNC5/16 | UNC5/16 | 6.1 | 5 | ||||||
| TC312-M8 | M8・M7 | 6.2 | 5 | ||||||
| TC312-M10 | M10・M9 | UNC3/8 | 7 | 5.5 | |||||
| TC312-M11 | M11 | UNC7/16 | 8 | 6 | |||||
| TC312-M12 | M12 | 8.5 | 6.5 | ||||||
| TC312-UNC1/2 | UNC1/2 | 9 | 7 | ||||||
| TC312-M14 | M14 | UNC9/16 | 10.5 | 8.5 | |||||
| 型番 | タップ把握能力 | タップシャンク寸法 | L1 | L2 | ΦD1 | ΦD2 | 対応ホルダー | ||
|---|---|---|---|---|---|---|---|---|---|
| 軸径 | 四角 | ||||||||
| TC820-M5 | M5・M5.5 | #10 | 5.5 | 4.5 | 36 | 30.5 | 31 | 50 | TC820-JT6 |
| TC820-M6 | M6 | UNC1/4 | 6 | 4.5 | |||||
| TC820-UNC5/16 | UNC5/16 | 6.1 | 5 | ||||||
| TC820-M8 | M8・M7 | 6.2 | 5 | ||||||
| TC820-M10 | M10・M9 | UNC3/8 | 7 | 5.5 | |||||
| TC820-M11 | M11 | UNC7/16 | 8 | 6 | |||||
| TC820-M12 | M12 | 8.5 | 6.5 | ||||||
| TC820-UNC1/2 | UNC1/2 | 9 | 7 | ||||||
| TC820-M14 | M14・M15 | UNC9/16 | 10.5 | 8 | |||||
| TC820-UNC5/8 | UNC5/8 | 12 | 9 | ||||||
| TC820-M16 | M16 | 12.5 | 10 | ||||||
| TC820-M18 | M18 | UNC3/4 | 14 | 11 | |||||
| TC820-M20 | M20 | 15 | 12 | ||||||
| TC820-M22 | M22 | UNC7/8 | 17 | 13 | |||||
| TC820-M24 | M24・M25 | 19 | 15 | ||||||
※対応するホルダーが型番により異なりますのでご注意ください。
※製品の仕様予告なく変更になることがあります。
ラインナップ・製品仕様
コレットホルダー
| 型番 | タップ把握能力 | L | ΦD | テーパー | 対応コレット |
|---|---|---|---|---|---|
| TC312-JT6 | M3-M14 | 66 | 32 | JT6 | TC312 |
| TC312-JT2S | M3-M14 | 61 | 32 | JT2S | TC312B |
| TC820-JT6 | M8-M24 | 86 | 50 | JT6 | TC820・TC820B |
※対応するコレットが型番により異なりますのでご注意ください。
コレット(固定タイプ)
| 型番 | タップ把握能力 | タップシャンク寸法 | L1 | L2 | ΦD1 | ΦD2 | 対応ホルダー | ||
|---|---|---|---|---|---|---|---|---|---|
| 軸径 | 四角 | ||||||||
| TC312B-M2 | M2 | 3 | 2.5 | 22 | 15 | 19 | 30 | TC312-JT6 TC312-JT2S | |
| TC312B-M3 | M3 | #5・#6 | 4 | 3.2 | |||||
| TC312B-M4 | M4・M4.5 | #8 | 5 | 4 | |||||
| TC312B-M5 | M5・M5.5 | #10 | 5.5 | 4.5 | |||||
| TC312B-M6 | M6 | UNC1/4 | 6 | 4.5 | |||||
| TC312B-UNC5/16 | UNC5/16 | 6.1 | 5 | ||||||
| TC312B-M8 | M8・M7 | 6.2 | 5 | ||||||
| TC312B-M10 | M10・M9 | UNC3/8 | 7 | 5.5 | |||||
| TC312B-M11 | M11 | UNC7/16 | 8 | 6 | |||||
| TC312B-M12 | M12 | 8.5 | 6.5 | ||||||
| TC312B-UNC1/2 | UNC1/2 | 9 | 7 | ||||||
| TC312B-M14 | M14 | UNC9/16 | 10.5 | 8.5 | |||||
| 型番 | タップ把握能力 | タップシャンク寸法 | L1 | L2 | ΦD1 | ΦD2 | 対応ホルダー | ||
|---|---|---|---|---|---|---|---|---|---|
| 軸径 | 四角 | ||||||||
| TC820B-M5 | M5・M5.5 | #10 | 5.5 | 4.5 | 36 | 30.5 | 31 | 48 | TC820-JT6 |
| TC820B-M6 | M6 | UNC1/4 | 6 | 4.5 | |||||
| TC820B-UNC5/16 | UNC5/16 | 6.1 | 5 | ||||||
| TC820B-M8 | M8・M7 | 6.2 | 5 | ||||||
| TC820B-M10 | M10・M9 | UNC3/8 | 7 | 5.5 | |||||
| TC820B-M11 | M11 | UNC7/16 | 8 | 6 | |||||
| TC820B-M12 | M12 | 8.5 | 6.5 | ||||||
| TC820B-UNC1/2 | UNC1/2 | 9 | 7 | ||||||
| TC820B-M14 | M14・M15 | UNC9/16 | 10.5 | 8 | |||||
| TC820B-UNC5/8 | UNC5/8 | 12 | 9 | ||||||
| TC820B-M16 | M16 | 12.5 | 10 | ||||||
| TC820B-M18 | M18 | UNC3/4 | 14 | 11 | |||||
| TC820B-M20 | M20 | 15 | 12 | ||||||
| TC820B-M22 | M22 | UNC7/8 | 17 | 13 | |||||
| TC820B-M24 | M24・M25 | 19 | 15 | ||||||
※対応するホルダーが型番により異なりますのでご注意ください。
コレット(クラッチ機能付きタイプ)
| 型番 | タップ把握能力 | タップシャンク寸法 | L1 | L2 | ΦD1 | ΦD2 | 対応ホルダー | ||
|---|---|---|---|---|---|---|---|---|---|
| 軸径 | 四角 | ||||||||
| TC312-M2 | M2 | 3 | 2.5 | 22 | 15 | 19 | 32 | TC312-JT6 TC312-JT2S | |
| TC312-M3 | M3 | #5・#6 | 4 | 3.2 | |||||
| TC312-M4 | M4・M4.5 | #8 | 5 | 4 | |||||
| TC312-M5 | M5・M5.5 | #10 | 5.5 | 4.5 | |||||
| TC312-M6 | M6 | UNC1/4 | 6 | 4.5 | |||||
| TC312-UNC5/16 | UNC5/16 | 6.1 | 5 | ||||||
| TC312-M8 | M8・M7 | 6.2 | 5 | ||||||
| TC312-M10 | M10・M9 | UNC3/8 | 7 | 5.5 | |||||
| TC312-M11 | M11 | UNC7/16 | 8 | 6 | |||||
| TC312-M12 | M12 | 8.5 | 6.5 | ||||||
| TC312-UNC1/2 | UNC1/2 | 9 | 7 | ||||||
| TC312-M14 | M14 | UNC9/16 | 10.5 | 8.5 | |||||
| 型番 | タップ把握能力 | タップシャンク寸法 | L1 | L2 | ΦD1 | ΦD2 | 対応ホルダー | ||
|---|---|---|---|---|---|---|---|---|---|
| 軸径 | 四角 | ||||||||
| TC820-M5 | M5・M5.5 | #10 | 5.5 | 4.5 | 36 | 30.5 | 31 | 50 | TC820-JT6 |
| TC820-M6 | M6 | UNC1/4 | 6 | 4.5 | |||||
| TC820-UNC5/16 | UNC5/16 | 6.1 | 5 | ||||||
| TC820-M8 | M8・M7 | 6.2 | 5 | ||||||
| TC820-M10 | M10・M9 | UNC3/8 | 7 | 5.5 | |||||
| TC820-M11 | M11 | UNC7/16 | 8 | 6 | |||||
| TC820-M12 | M12 | 8.5 | 6.5 | ||||||
| TC820-UNC1/2 | UNC1/2 | 9 | 7 | ||||||
| TC820-M14 | M14・M15 | UNC9/16 | 10.5 | 8 | |||||
| TC820-UNC5/8 | UNC5/8 | 12 | 9 | ||||||
| TC820-M16 | M16 | 12.5 | 10 | ||||||
| TC820-M18 | M18 | UNC3/4 | 14 | 11 | |||||
| TC820-M20 | M20 | 15 | 12 | ||||||
| TC820-M22 | M22 | UNC7/8 | 17 | 13 | |||||
| TC820-M24 | M24・M25 | 19 | 15 | ||||||
※対応するホルダーが型番により異なりますのでご注意ください。
※製品の仕様予告なく変更になることがあります。

